С-образный профиль 41х41, L1800, толщ.2,5 мм, цинк-ламельный
Код:
BPM4118ZL
Код:
BPM4118ZL
- Где купить?
-
Выберите файл
для скачивания - Страницы - Типовой альбом DKC-2022.FPD "Прокладка кабельных линий и электропроводок в огнестойких коробах
- Страницы - Типовой альбом A11 2011 – «Прокладка кабелей напряжением до 35кВ в траншеях и блочной канализации с применением двустенных гофрированных труб»
- Страница - Типовой альбом DKC-2023.RF «Система фальшпола АО "ДКС"»
- Страницы - Типовой альбом DKC-2024.Cosmec. Система металлических труб и металлорукава Cosmec
- Страницы - Типовой альбом DKC-2022.EC Типовые узлы прокладки инженерных коммуникаций
- Страницы - Типовой альбом DKC-2021.COMBITECH "Опорные конструкции, узлы монтажа лотков и аксессуары"
- Страницы - Типовой альбом DKC-2017.FCL "Прокладка кабельных линий и электропроводок систем противопожарной защиты"
- Страница - Типовой альбом DKC-2018.IS "Проектирование кабеленесущих конструкций для промышленных предприятий"
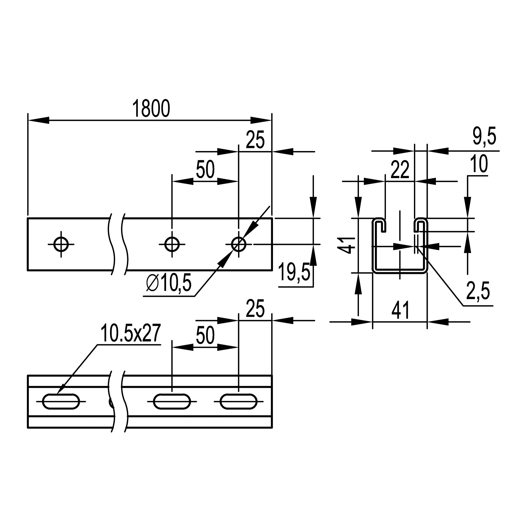
С-образный профиль BPM-41 41х41 мм изготовлен из стали толщиной 2,5 мм. Применяется для крепления в подвес или к стене, монтажа консолей: ВВН-60, ВВН-70, BBD-21, BBP-21/41, подвеса лотков и световых приборов на шпильках, а также в качестве кабеленесущих систем для осветительных трасс. Длина 1800 мм. Цинк-ламельное покрытие обеспечивает высокую защиту от коррозии, применяется в основном в автомобильной промышленности, строительной отрасли.
Подробнее
| Модель/исполнение | Одинарный профиль |
| Высота, мм | 41 |
| Защитное покрытие поверхности | Непрерывное гальваническое цинк-алюминиевое покрытие |
| Толщина материала, мм | 2.5 |
| С системой зубьев (зубчатым зацеплением) | Нет |
| Длина, мм | 1800 |
| Материал | Сталь |
| Тип перфорации | Перфорация с 3-х сторон |
| Форма профиля | С-профиль |
| Ширина прореза/щели, мм | 22 |
| Ширина отверстия, мм | 10.5 |
| Возможность отламывания отрезков | Нет |
| Подходит для обеспеч. целостности цепи (огнестойкость) | Нет |
| Высота, мм | 41 |
| Ширина, мм | 41 |
| Длина, мм | 1800 |
| Толщина листовой стали, мм | 2,5 |
| Тип изделия | Профили |
| Материал | Сталь с цинк-ламельным покрытием |