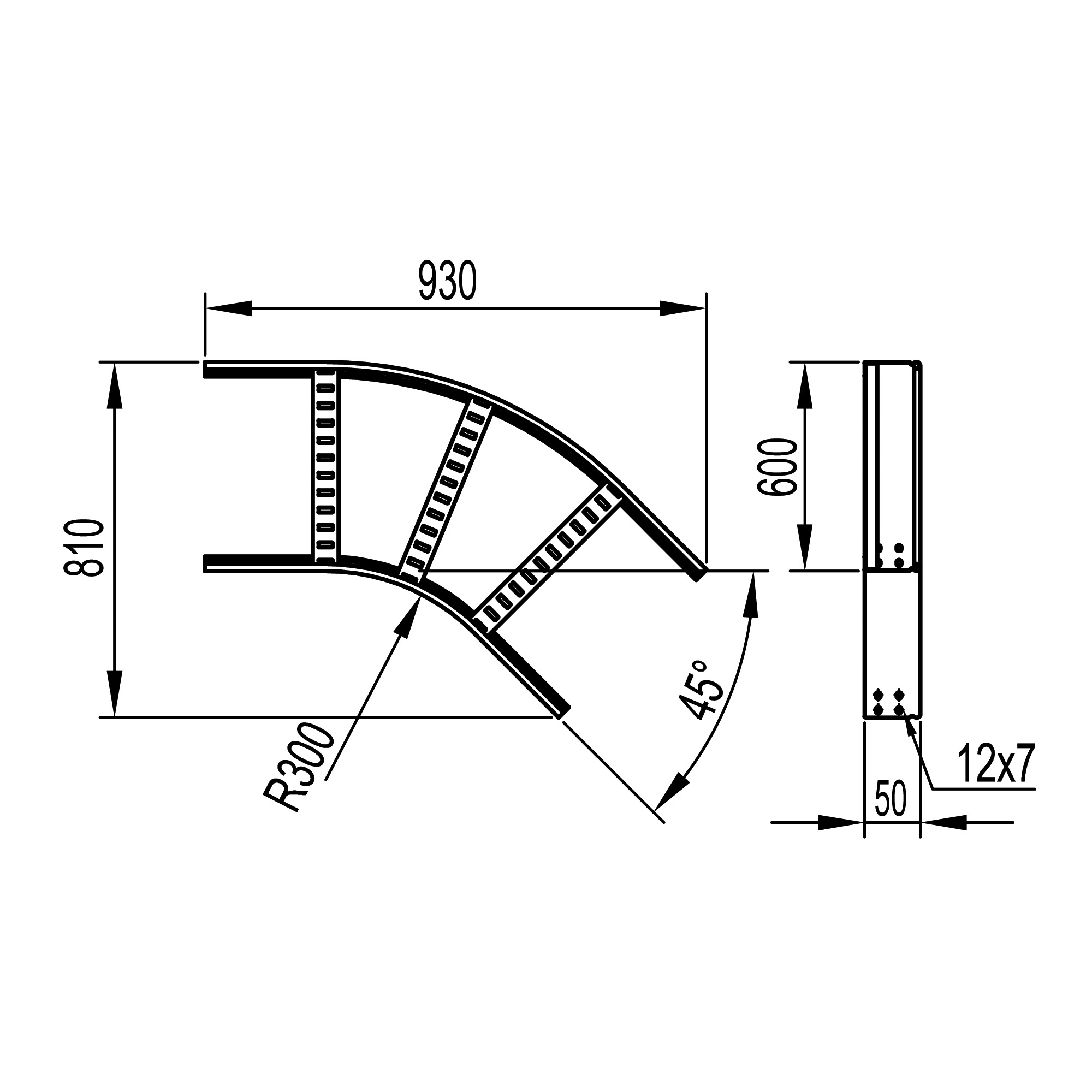
Угол горизонтальный 45 50x600 R300 в комплекте с крепежными элементами и соединительными пластинами, необходимыми для монтажа, цинк-ламельный

Код: LC0536KZL
Код: LC0536KZL
Тип упаковки:
Кол-во в упаковке: 1
Ед. изм: уп
Вес, кг: 3,140
?
Угол горизонтальный 45° предназначен для организации поворота кабельной трассы на 45° в горизонтальной плоскости. Толщина поперечины аксессуара составляет 1 мм. Поставляется в комплекте с метизами и соединительными пластинами (LG1000, CM010620, CM110600, CM220600 в соответствующем аксессуару исполнении). Аксессуар совместим с лотком шириной 600 мм и высотой борта 50 мм. Исполнение – "цинк-ламель". Соответствует 8 классу коррозионной стойкости.
Подробнее
Угол горизонтальный 45° предназначен для организации поворота кабельной трассы на 45° в горизонтальной плоскости. Толщина поперечины аксессуара составляет 1 мм. Поставляется в комплекте с метизами и соединительными пластинами (LG1000, CM010620, CM110600, CM220600 в соответствующем аксессуару исполнении). Аксессуар совместим с лотком шириной 600 мм и высотой борта 50 мм. Исполнение – "цинк-ламель". Соответствует 8 классу коррозионной стойкости.
Подробнее
Цвет Светло-серый
Тип ступени Перфорированный профиль
Ширина ответвления, мм 600
Вид/ марка материала Сталь
Материал Сталь
Внутр. радиус, мм 300
Тип бокового профиля Профиль (открытый)
Подходит для обеспеч. целостности цепи (огнестойкость) Да
Высота бокового профиля, мм 50
Защитное покрытие поверхности Цинк-ламельное покрытие
Тип продукции Системные аксессуары
Тип аксессуара Угол горизонтальный 45 градусов
Материал Сталь с цинк-ламельным покрытием
Ширина 600 мм
Высота 50 мм
Толщина лонжерона 1.2 мм
Радиус изгиба 300 мм