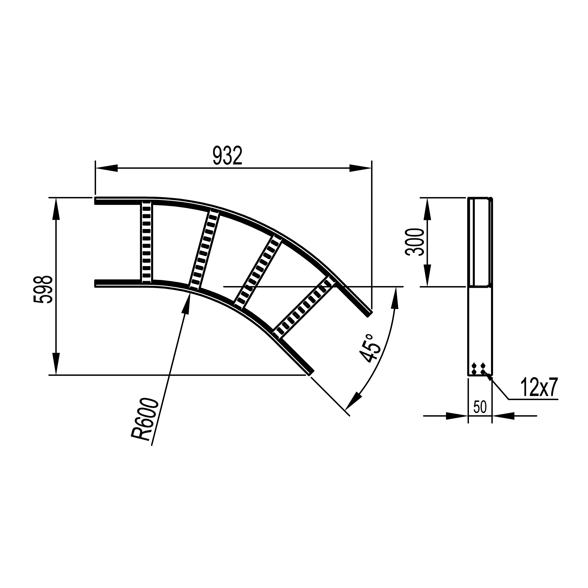
Угол горизонтальный 45 градусов 50x300 R-600 в комплекте с крепежными элементами и соединительными пластинами, необходимыми для монтажа, горячеоцинкованный

Код: LC0563KHDZ
Код: LC0563KHDZ
Тип упаковки:
Кол-во в упаковке: 1
Ед. изм: уп
Вес, кг: 2,940
?
Угол горизонтальный 45° предназначен для организации поворота кабельной трассы на 45° в горизонтальной плоскости. Толщина поперечины аксессуара составляет 1 мм. Радиус скругления 600 мм. Поставляется в комплекте с метизами и соединительными пластинами (LG1000, CM010620, CM110600, CM220600 в соответствующем аксессуару исполнении). Аксессуар совместим с лотком шириной 300 мм и высотой борта 50 мм. Исполнение – "Горячий цинк". Это специальное исполнение, которое отличается повышенной устойчивостью к коррозии. Изделия с таким покрытием можно применять даже в условиях агрессивной среды, повышенной влажности, солевого тумана.
Подробнее
Угол горизонтальный 45° предназначен для организации поворота кабельной трассы на 45° в горизонтальной плоскости. Толщина поперечины аксессуара составляет 1 мм. Радиус скругления 600 мм. Поставляется в комплекте с метизами и соединительными пластинами (LG1000, CM010620, CM110600, CM220600 в соответствующем аксессуару исполнении). Аксессуар совместим с лотком шириной 300 мм и высотой борта 50 мм. Исполнение – "Горячий цинк". Это специальное исполнение, которое отличается повышенной устойчивостью к коррозии. Изделия с таким покрытием можно применять даже в условиях агрессивной среды, повышенной влажности, солевого тумана.
Подробнее
Цвет Светло-серый
Защитное покрытие поверхности Горячее цинкование
Тип ступени Перфорированный профиль
Ширина ответвления, мм 300
Вид/ марка материала Сталь
Материал Сталь
Внутр. радиус, мм 600
Тип бокового профиля Профиль (открытый)
Подходит для обеспеч. целостности цепи (огнестойкость) Да
Высота бокового профиля, мм 50
Тип продукции Системные аксессуары
Тип аксессуара Угол горизонтальный 45 градусов
Материал Сталь горячеоцинкованная погружением
Ширина 300 мм
Высота 50 мм
Толщина лонжерона 1.2 мм
Радиус изгиба 600 мм