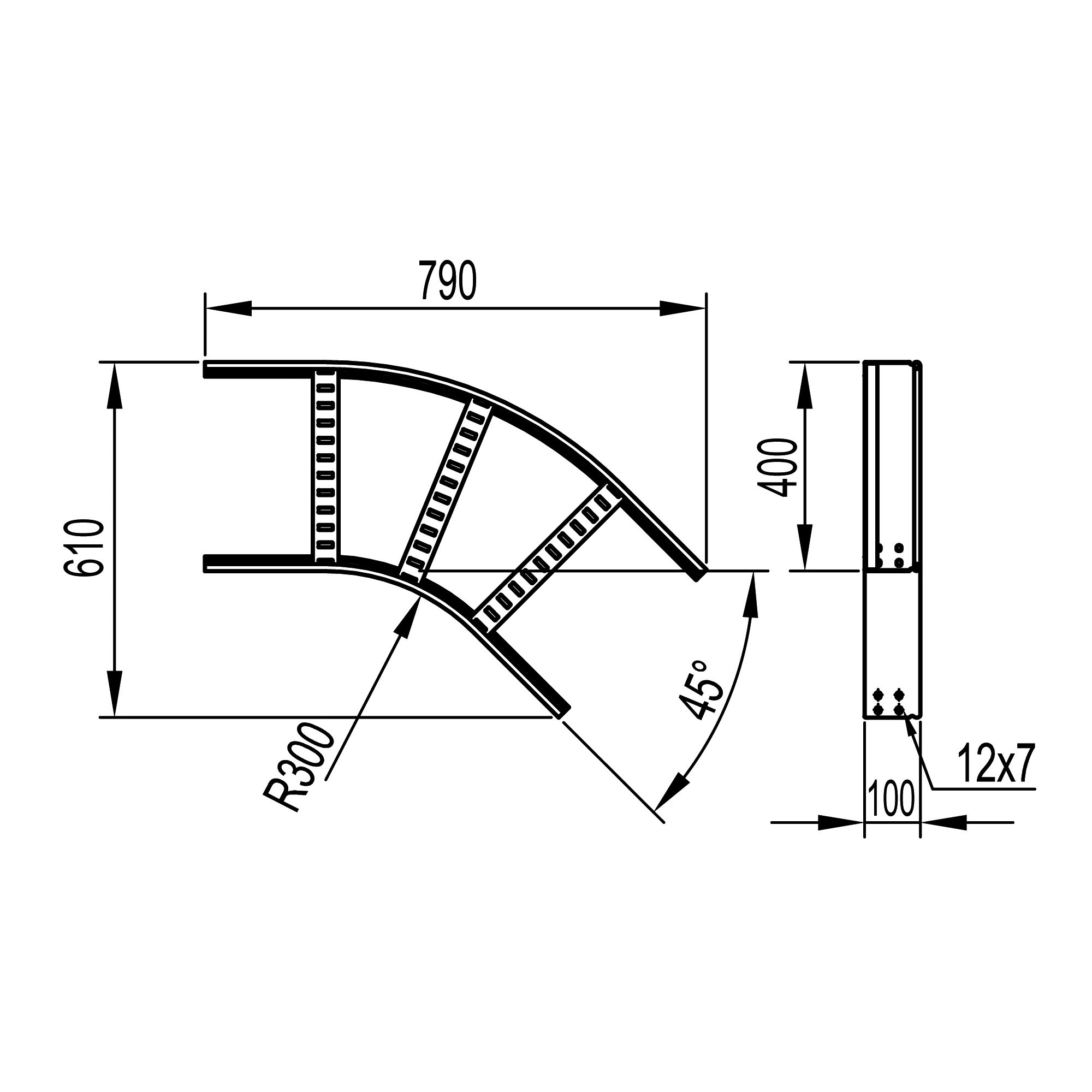
Угол горизонтальный 45 градусов 100x400 R-300 в комплекте с крепежными элементами и соединительными пластинами, необходимыми для монтажа, горячеоцинкованный

Код: LC0134KHDZ
Код: LC0134KHDZ
Тип упаковки:
Кол-во в упаковке: 1
Ед. изм: уп
Вес, кг: 5,100
Объем, м3: 0,05788
?
Угол горизонтальный 45° предназначен для организации поворота кабельной трассы на 45° в горизонтальной плоскости. Толщина поперечины аксессуара составляет 1 мм. Поставляется в комплекте с метизами и соединительными пластинами (LG1000, CM010620, CM110600, CM220600 в соответствующем аксессуару исполнении). Аксессуар совместим с лотком шириной 400 мм и высотой борта 100 мм. Исполнение – "Горячий цинк". Это специальное исполнение, которое отличается повышенной устойчивостью к коррозии. Изделия с таким покрытием можно применять даже в условиях агрессивной среды, повышенной влажности, солевого тумана.
Подробнее
Угол горизонтальный 45° предназначен для организации поворота кабельной трассы на 45° в горизонтальной плоскости. Толщина поперечины аксессуара составляет 1 мм. Поставляется в комплекте с метизами и соединительными пластинами (LG1000, CM010620, CM110600, CM220600 в соответствующем аксессуару исполнении). Аксессуар совместим с лотком шириной 400 мм и высотой борта 100 мм. Исполнение – "Горячий цинк". Это специальное исполнение, которое отличается повышенной устойчивостью к коррозии. Изделия с таким покрытием можно применять даже в условиях агрессивной среды, повышенной влажности, солевого тумана.
Подробнее
Цвет Светло-серый
Защитное покрытие поверхности Горячее цинкование
Тип ступени Перфорированный профиль
Ширина ответвления, мм 400
Вид/ марка материала Сталь
Материал Сталь
Внутр. радиус, мм 300
Тип бокового профиля Профиль (открытый)
Подходит для обеспеч. целостности цепи (огнестойкость) Да
Высота бокового профиля, мм 100
Тип продукции Системные аксессуары
Тип аксессуара Угол горизонтальный 45 градусов
Материал Сталь горячеоцинкованная погружением
Ширина 400 мм
Высота 100 мм
Толщина лонжерона 1.2 мм
Радиус изгиба 300 мм