Лоток лестничный 80х800, лонжерон 1,5 мм, L 6 м
Код:
ULM688ZL
Код:
ULM688ZL
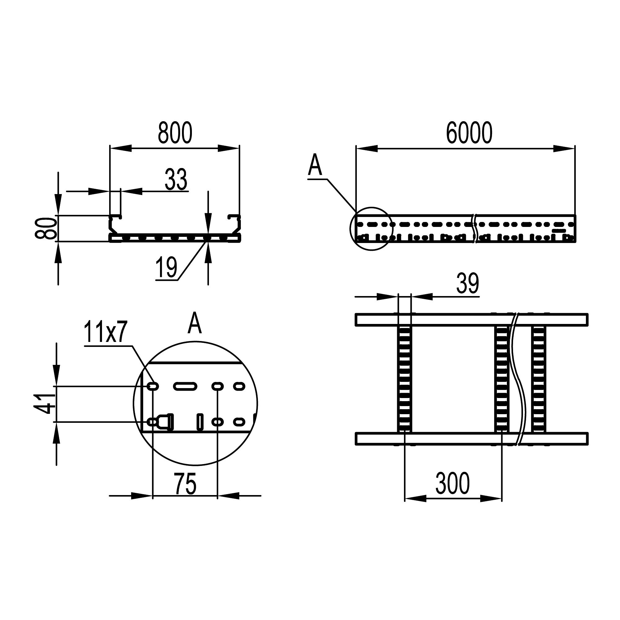
Конструкция лотков позволяет выдерживать высокие нагрузки при прокладке кабеля на больших расстояниях, что подтверждено испытаниями согласно п.10.3.3 ГОСТа 52868-2007. Также лоток обладает высокой вибростойкостью, устойчивостью к изгибу, и соответствует требованиям по сейсмостойкости до 9 баллов. Толщина стали -1,5 мм, высота лотка -80 мм, ширина -800 мм, длина -6000 мм. Исполнение – "Цинк-ламель"
Подробнее
| Цвет | Светло-серый |
| Ширина, мм | 800 |
| Высота, мм | 80 |
| Защитное покрытие поверхности | Цинк-ламельное покрытие |
| Тип ступени | Перфорированный профиль |
| Перфорированная боковая стенка | Да |
| Вид/ марка материала | Сталь |
| Длина, мм | 6000 |
| Материал | Сталь |
| Полезное сечение, мм² | 48000 |
| Исполнение для больших расстояний (усиленный) | Да |
| Тип бокового профиля | Профиль (открытый) |
| Расстояние между ступеньками/ поперечинами, мм | 300 |
| Фиксация ступени | Полностью заклепано |
| Толщина материала, мм | 1.5 |
| Тип продукции | Лестничные лотки |
| Тип лотка | Тяжелые лотки - "U5 Combitech" |
| Высота | 80 мм |
| Толщина лонжерона | 1.5 мм |
| Длина | 6000 мм |
| Материал | Сталь с цинк-ламельным покрытием |
| Ширина | 800 мм |