Лоток листовой неперфорированный 200x400
Код:
UNH624ZL
Код:
UNH624ZL
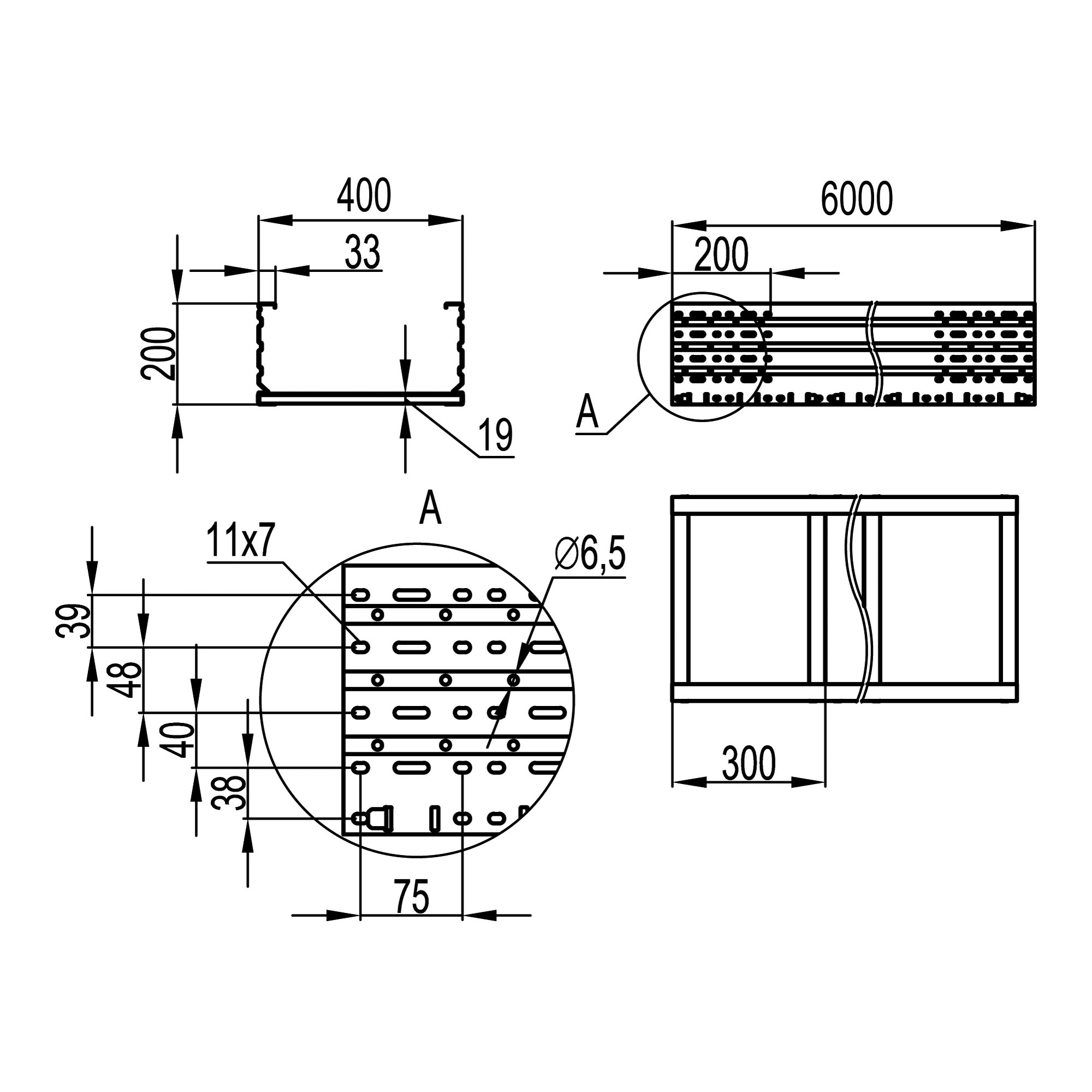
Конструкция лотков позволяет выдерживать высокие нагрузки при прокладке кабеля на больших расстояниях, что подтверждено испытаниями согласно п.10.3.3 ГОСТа 52868-2007. Также лоток обладает высокой вибростойкостью, устойчивостью к изгибу, и соответствует требованиям по сейсмостойкости до 9 баллов. Толщина стали -2 мм, высота лотка -200 мм, ширина -400 мм, длина -6000 мм. Исполнение – "Цинк-ламель"
Подробнее
| Цвет | Серый |
| Ширина, мм | 400 |
| Модель/исполнение | Без соединит. разъема |
| Высота, мм | 200 |
| Защитное покрытие поверхности | Непрерывное гальваническое цинк-алюминиевое покрытие |
| Толщина материала, мм | 2 |
| Перфорированная боковая стенка | Да |
| Вид/ марка материала | Сталь |
| Длина, мм | 6000 |
| Материал | Сталь |
| Перфорация в основании для монтажа | Нет |
| Полезное сечение, мм² | 72000 |
| NATO монтажные отверстия | Да |
| Нержавеющая сталь травлёная | Да |
| Исполнение для больших расстояний (усиленный) | Да |
| Подходит для обеспеч. целостности цепи (огнестойкость) | Да |
| Тип продукции | Неперфорированные лотки |
| Высота | 200 мм |
| Ширина | 400 мм |
| Материал | Сталь с цинк-ламельным покрытием |
| Толщина лонжерона | 2 мм |
| Тип лотка | Тяжелые лотки - "U5 Combitech" |
| Длина | 6000 мм |