Код: UNH656HDZ
Код: UNH656HDZ
Тип упаковки:
Кол-во в упаковке: 6
Ед. изм: м
Вес, кг: 14,940
Объем, м3: 0,09000
?
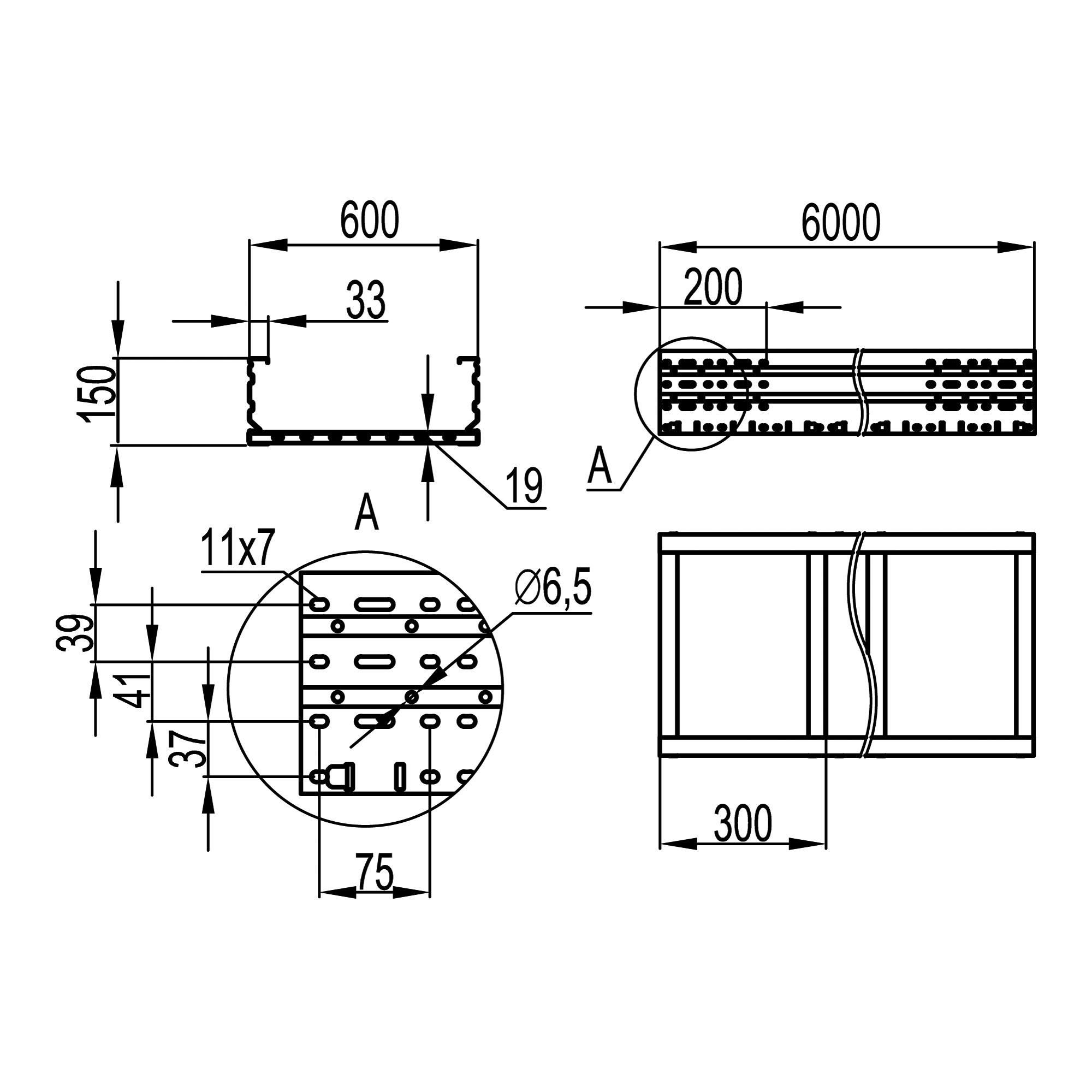
Конструкция лотков позволяет выдерживать высокие нагрузки при прокладке кабеля на больших расстояниях, что подтверждено испытаниями согласно п.10.3.3 ГОСТа 52868-2007. Также лоток обладает высокой вибростойкостью, устойчивостью к изгибу, и соответствует требованиям по сейсмостойкости до 9 баллов. Толщина стали -2 мм, высота лотка -150 мм, ширина -600 мм, длина -6000 мм. Исполнение – "Горячий цинк"
Подробнее
Конструкция лотков позволяет выдерживать высокие нагрузки при прокладке кабеля на больших расстояниях, что подтверждено испытаниями согласно п.10.3.3 ГОСТа 52868-2007. Также лоток обладает высокой вибростойкостью, устойчивостью к изгибу, и соответствует требованиям по сейсмостойкости до 9 баллов. Толщина стали -2 мм, высота лотка -150 мм, ширина -600 мм, длина -6000 мм. Исполнение – "Горячий цинк"
Подробнее
Цвет Серый
Ширина, мм 600
Модель/исполнение Без соединит. разъема
Высота, мм 150
Защитное покрытие поверхности Горячее цинкование
Толщина материала, мм 2
Перфорированная боковая стенка Да
Вид/ марка материала Сталь
Длина, мм 6000
Материал Сталь
Перфорация в основании для монтажа Нет
Полезное сечение, мм² 78000
NATO монтажные отверстия Да
Исполнение для больших расстояний (усиленный) Да
Подходит для обеспеч. целостности цепи (огнестойкость) Да
Тип продукции Неперфорированные лотки
Тип лотка Тяжелые лотки - "U5 Combitech"
Высота 150 мм
Толщина лонжерона 2.0 мм
Длина 6000 мм
Материал Сталь горячеоцинкованная погружением
Ширина 600 мм