Лоток листовой неперфорированный 150х1000, лонжерон 2 мм, L 6 м

Код: UNH650
Код: UNH650
Тип упаковки:
Кол-во в упаковке: 6
Ед. изм: м
Вес, кг: 16,930
Объем, м3: 0,15000
?
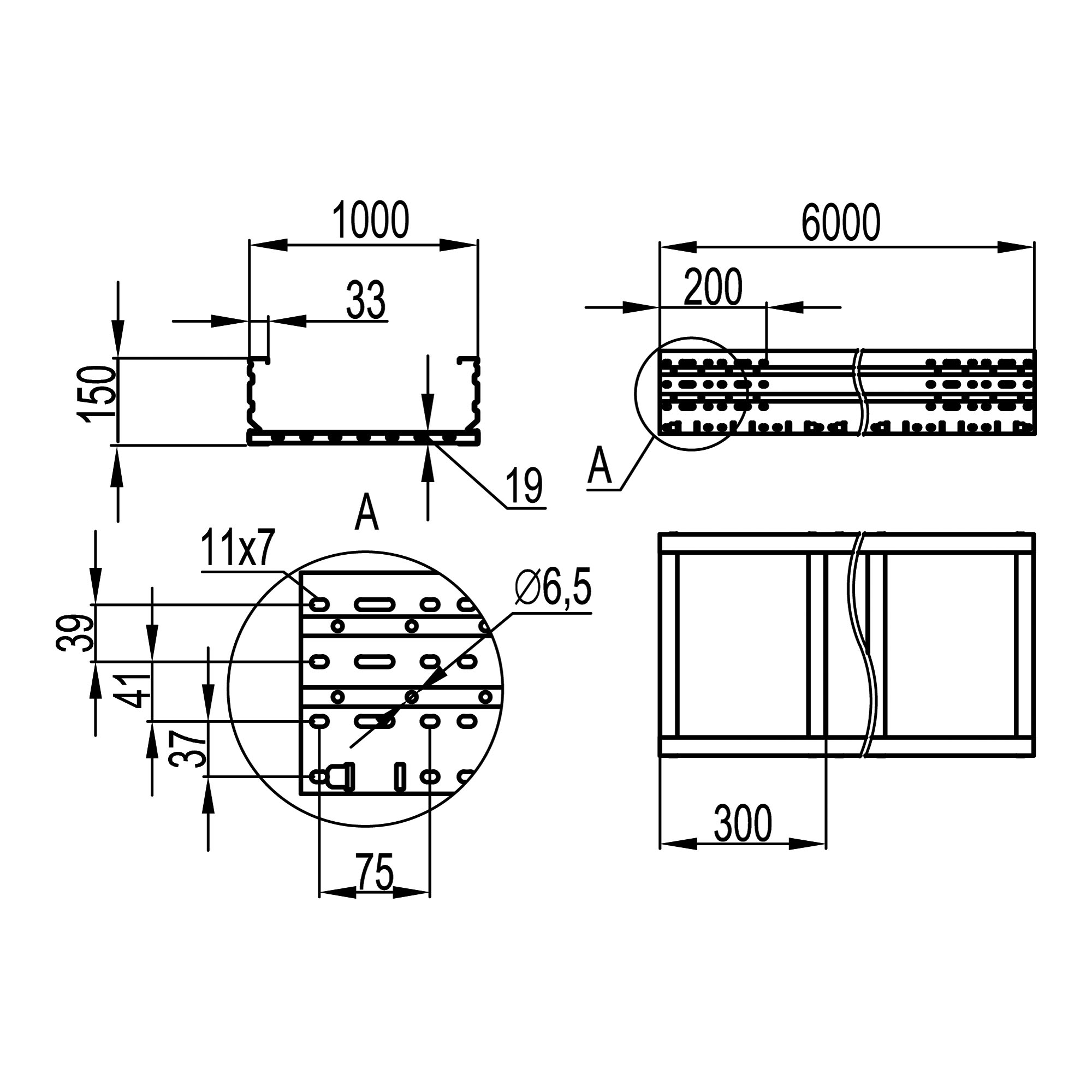
Конструкция лотков позволяет выдерживать высокие нагрузки при прокладке кабеля на больших расстояниях, что подтверждено испытаниями согласно п.10.3.3 ГОСТа 52868-2007. Также лоток обладает высокой вибростойкостью, устойчивостью к изгибу, и соответствует требованиям по сейсмостойкости до 9 баллов. Толщина стали -2 мм, высота лотка -150 мм, ширина -1000 мм, длина -6000 мм. Исполнение – "Сендземир"
Подробнее
Конструкция лотков позволяет выдерживать высокие нагрузки при прокладке кабеля на больших расстояниях, что подтверждено испытаниями согласно п.10.3.3 ГОСТа 52868-2007. Также лоток обладает высокой вибростойкостью, устойчивостью к изгибу, и соответствует требованиям по сейсмостойкости до 9 баллов. Толщина стали -2 мм, высота лотка -150 мм, ширина -1000 мм, длина -6000 мм. Исполнение – "Сендземир"
Подробнее
Цвет Серый
Ширина, мм 1000
Модель/исполнение Без соединит. разъема
Высота, мм 150
Защитное покрытие поверхности Оцинковка горячим способом по методу Сендзимира
Толщина материала, мм 2
Перфорированная боковая стенка Да
Вид/ марка материала Сталь
Длина, мм 6000
Материал Сталь
Перфорация в основании для монтажа Нет
Полезное сечение, мм² 130000
NATO монтажные отверстия Да
Исполнение для больших расстояний (усиленный) Да
Подходит для обеспеч. целостности цепи (огнестойкость) Да
Тип продукции Неперфорированные лотки
Тип лотка Тяжелые лотки - "U5 Combitech"
Высота 150 мм
Толщина лонжерона 2.0 мм
Длина 6000 мм
Материал Сталь оцинкованная по методу Сендзимира
Ширина 1000 мм