Код: ULM682
Код: ULM682
Тип упаковки:
Кол-во в упаковке: 6
Ед. изм: м
Вес, кг: 4,860
Объем, м3: 0,01600
?
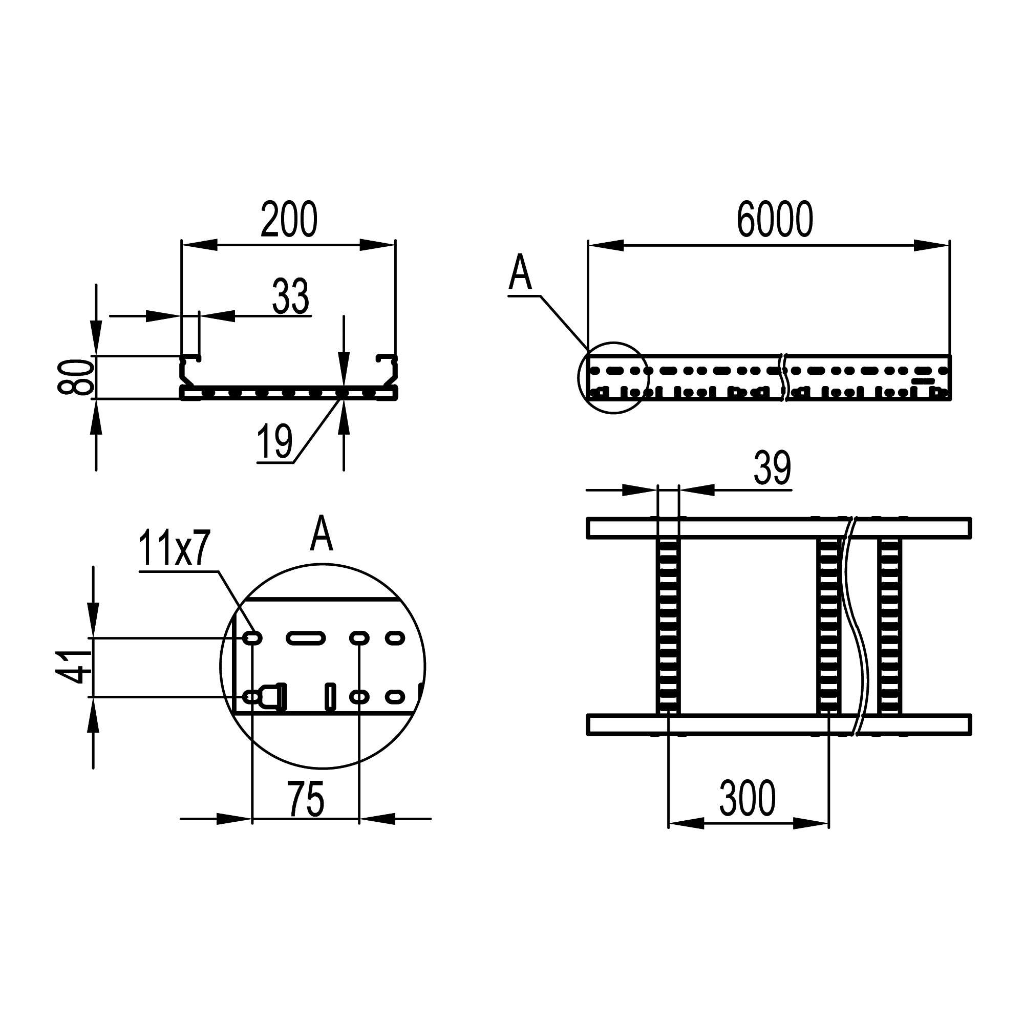
Конструкция лотков позволяет выдерживать высокие нагрузки при прокладке кабеля на больших расстояниях, что подтверждено испытаниями согласно п.10.3.3 ГОСТа 52868-2007. Также лоток обладает высокой вибростойкостью, устойчивостью к изгибу, и соответствует требованиям по сейсмостойкости до 9 баллов. Толщина стали -1,5 мм, высота лотка -80 мм, ширина -200 мм, длина -6000 мм. Исполнение – "Сендземир"
Подробнее
Конструкция лотков позволяет выдерживать высокие нагрузки при прокладке кабеля на больших расстояниях, что подтверждено испытаниями согласно п.10.3.3 ГОСТа 52868-2007. Также лоток обладает высокой вибростойкостью, устойчивостью к изгибу, и соответствует требованиям по сейсмостойкости до 9 баллов. Толщина стали -1,5 мм, высота лотка -80 мм, ширина -200 мм, длина -6000 мм. Исполнение – "Сендземир"
Подробнее
Цвет Светло-серый
Ширина, мм 200
Высота, мм 80
Защитное покрытие поверхности Оцинковка горячим способом по методу Сендзимира
Тип ступени Перфорированный профиль
Перфорированная боковая стенка Да
Вид/ марка материала Сталь
Длина, мм 6000
Материал Сталь
Полезное сечение, мм² 12000
Исполнение для больших расстояний (усиленный) Да
Тип бокового профиля Профиль (открытый)
Расстояние между ступеньками/ поперечинами, мм 300
Фиксация ступени Полностью заклепано
Толщина материала, мм 1.5
Тип продукции Лестничные лотки
Тип лотка Тяжелые лотки - "U5 Combitech"
Высота 80 мм
Толщина лонжерона 1.5 мм
Длина 6000 мм
Материал Сталь оцинкованная по методу Сендзимира
Ширина 200 мм