Код: BST4140HDZ
Код: BST4140HDZ
Тип упаковки:
Кол-во в упаковке: 4
Ед. изм: шт
Вес, кг: 1,250
Объем, м3: 0,00054
?
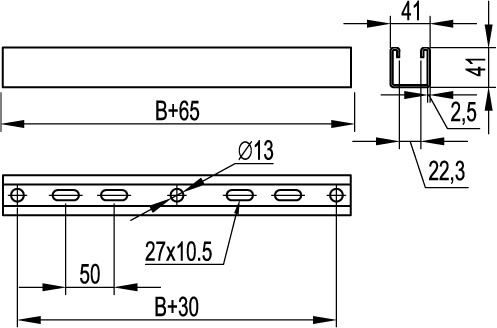
Траверса BST-41 применяется для монтажа трассы кабельных лотков с креплением к потолку при помощи шпилек, монтаж подвесных конструкций. Монтаж возможен как на одну (центральный подвес), так и на две шпильки. размеры С-образного профиля 41х41 мм, толщина профиля траверсы 2,5 мм. Совместима с лотками шириной до 400 мм. Противокоррозионное цинкнаполненное покрытие повышает срок службы изделия в условиях агрессивных сред и высокой влажности.
Подробнее
Траверса BST-41 применяется для монтажа трассы кабельных лотков с креплением к потолку при помощи шпилек, монтаж подвесных конструкций. Монтаж возможен как на одну (центральный подвес), так и на две шпильки. размеры С-образного профиля 41х41 мм, толщина профиля траверсы 2,5 мм. Совместима с лотками шириной до 400 мм. Противокоррозионное цинкнаполненное покрытие повышает срок службы изделия в условиях агрессивных сред и высокой влажности.
Подробнее
Модель/исполнение Одинарный профиль
Высота, мм 41
Защитное покрытие поверхности Горячее цинкование
Толщина материала, мм 2.5
С системой зубьев (зубчатым зацеплением) Да
Длина, мм 465
Материал Сталь
Тип перфорации Задняя сторона перфорированная
Ширина прореза/щели, мм 10.5
Ширина отверстия, мм 10.5
Возможность отламывания отрезков Да
Подходит для обеспеч. целостности цепи (огнестойкость) Да
Цвет Светло-серый
Ширина, мм 41
Вид/ марка материала Сталь оцинкованная
Форма профиля С-профиль
Материал Сталь горячеоцинкованная погружением
Высота, мм 41
Ширина, мм 41
Длина, мм 460
Толщина листовой стали, мм 2,5
Тип изделия Подвесы и траверсы