Вертикальный подвес одиночный 41х21, L300, горячеоцинкованный
Код:
BSP2103HDZ
Код:
BSP2103HDZ
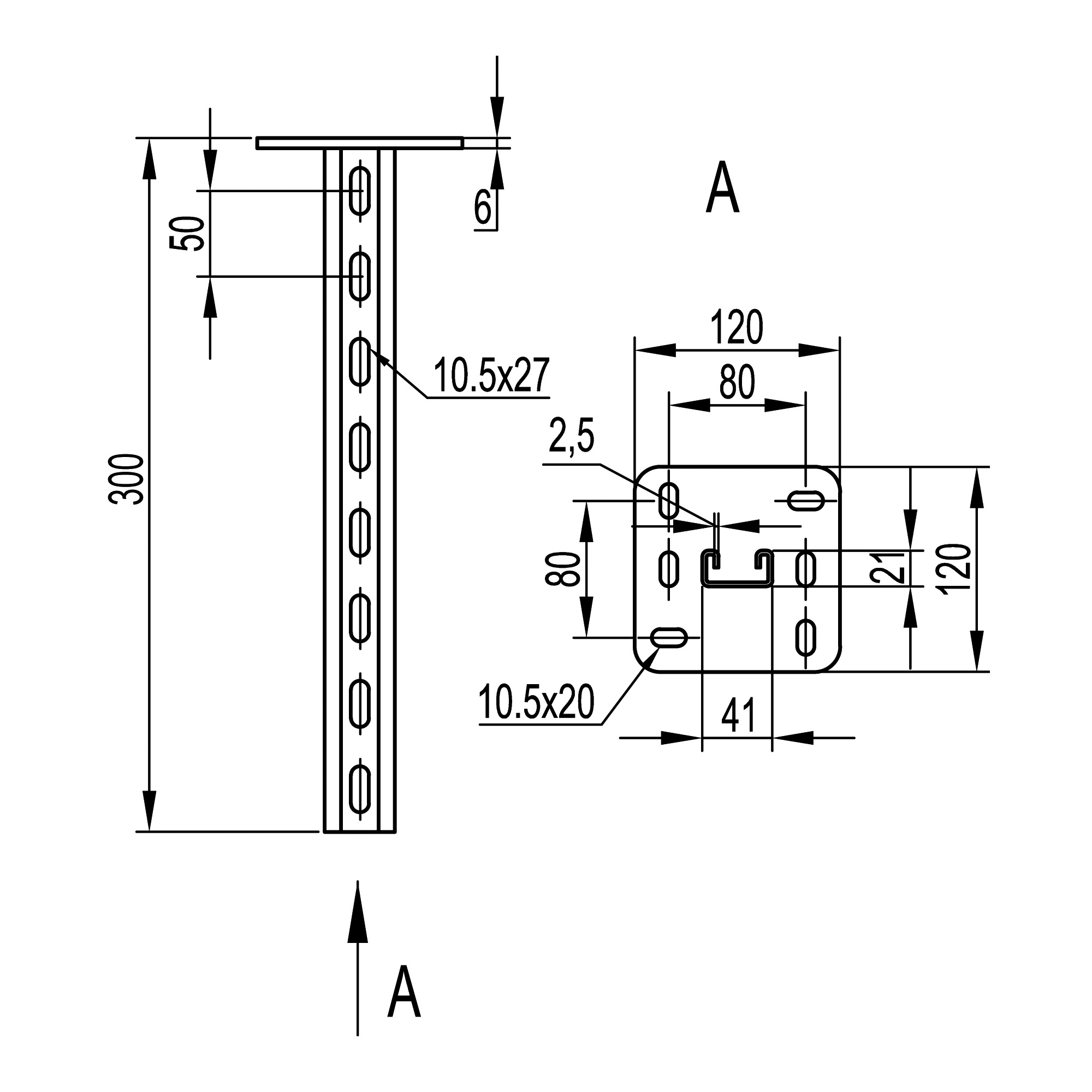
Подвес вертикальный одиночный BSP-21 41х21 мм применяется для монтажа консолей: ВВН-60, ВВН-70, BBD-21, BBP-21/41; одностороннего монтажа кабельных трасс; потолочного или напольного крепления. Подвес имеет С-образный профиль толщиной 2,5 мм, толщина пластины 6 мм. В основании 6 отверстий под метизы М10. Длина подвеса - 300 мм. Противокоррозионное цинкнаполненное покрытие повышает срок службы изделия в условиях агрессивных сред и высокой влажности.
Подробнее
| Цвет | Светло-серый |
| Ширина, мм | 120 |
| Модель/исполнение | Подвесной стержень |
| Высота, мм | 120 |
| Защитное покрытие поверхности | Горячее цинкование |
| Диаметр, мм | 10.5 |
| Регулируемый (ая) | Нет |
| Шарнирный (-ая) | Нет |
| Длина, мм | 300 |
| Материал | Сталь |
| Метрический размер резьбы (М..) | 10 |
| Подходит для обеспеч. целостности цепи (огнестойкость) | Нет |
| Ширина, мм | 120 |
| Длина, мм | 300 |
| Толщина листовой стали, мм | 2,5 |
| Тип изделия | Подвесы и траверсы |
| Материал | Сталь горячеоцинкованная погружением |