Код: BSD4110HDZ
Код: BSD4110HDZ
Тип упаковки:
Кол-во в упаковке: 1
Ед. изм: шт
Вес, кг: 5,940
Объем, м3: 0,00345
?
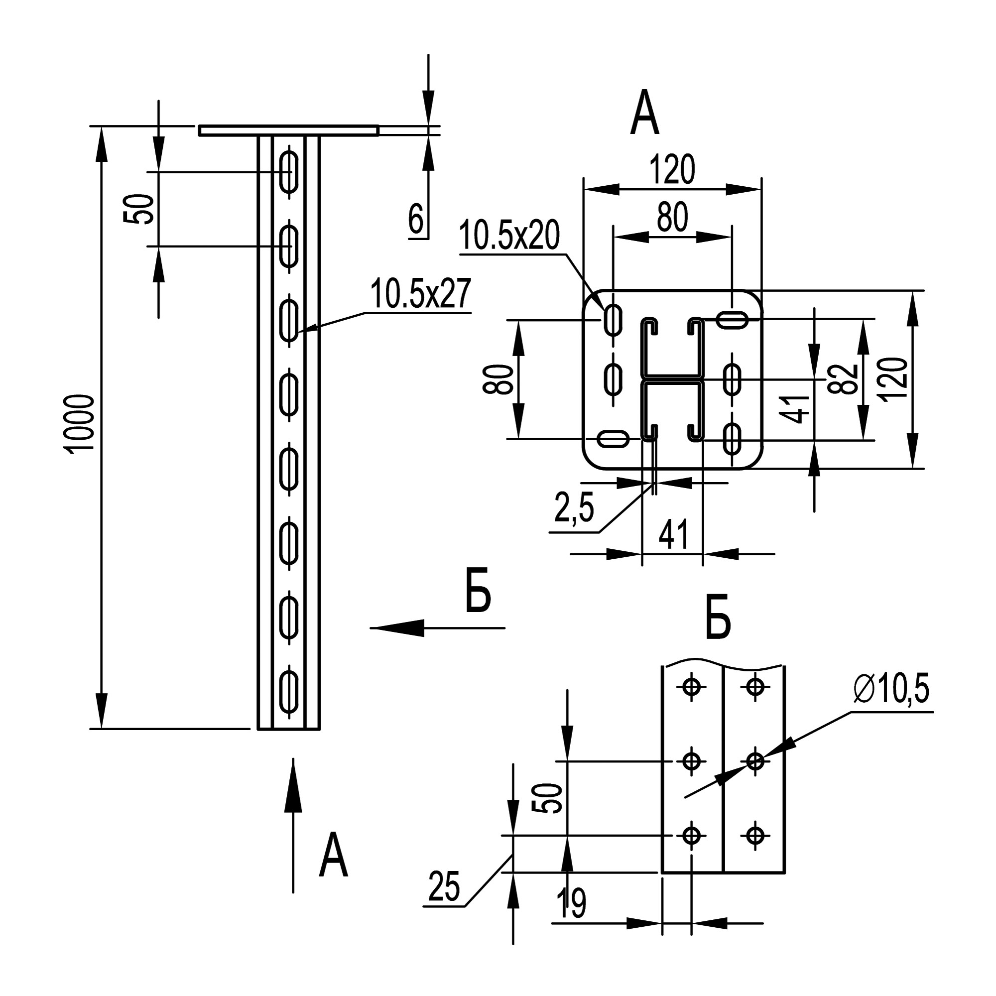
Двойной вертикальный подвес BSD-41 41х41 мм применяется для монтажа консолей: ВВН-60, ВВН-70, ВВН-80, BBD-21/41. Параметры С-образного двойного профиля подвеса 41х41 мм, толщина профиля подвеса 2,5 мм, толщина пластины 6 мм. Одно/двусторонний и параллельный монтаж кабельных трасс. Подвес монтируется к полу или потолку. Длина подвеса - 1000 мм. Противокоррозионное цинкнаполненное покрытие повышает срок службы изделия в условиях агрессивных сред и высокой влажности.
Подробнее
Двойной вертикальный подвес BSD-41 41х41 мм применяется для монтажа консолей: ВВН-60, ВВН-70, ВВН-80, BBD-21/41. Параметры С-образного двойного профиля подвеса 41х41 мм, толщина профиля подвеса 2,5 мм, толщина пластины 6 мм. Одно/двусторонний и параллельный монтаж кабельных трасс. Подвес монтируется к полу или потолку. Длина подвеса - 1000 мм. Противокоррозионное цинкнаполненное покрытие повышает срок службы изделия в условиях агрессивных сред и высокой влажности.
Подробнее
Цвет Светло-серый
Ширина, мм 120
Модель/исполнение Подвесной стержень
Высота, мм 120
Защитное покрытие поверхности Горячее цинкование
Диаметр, мм 10.5
Регулируемый (ая) Нет
Шарнирный (-ая) Нет
Длина, мм 1000
Материал Сталь
Метрический размер резьбы (М..) 10
Подходит для обеспеч. целостности цепи (огнестойкость) Нет
Ширина, мм 120
Длина, мм 1000
Толщина листовой стали, мм 2,5
Тип изделия Соединительные элементы
Материал Сталь горячеоцинкованная погружением