Консоль двойная, 41х41мм, L300мм, горячеоцинкованная
Код:
BBD4130HDZ
Код:
BBD4130HDZ
- Где купить?
-
Выберите файл
для скачивания - Страница из каталога
- Страница - Типовой альбом A11 2011 – «Прокладка кабелей напряжением до 35кВ в траншеях и блочной канализации с применением двустенных гофрированных труб»
- Страницы - Типовой альбом DKC-2021.COMBITECH "Опорные конструкции, узлы монтажа лотков и аксессуары"
- Страницы - Типовой альбом DKC-2017.T5 "Система модульных эстакад "T5 Combitech"
- Страница - Типовой альбом DKC-2018.IS "Проектирование кабеленесущих конструкций для промышленных предприятий"
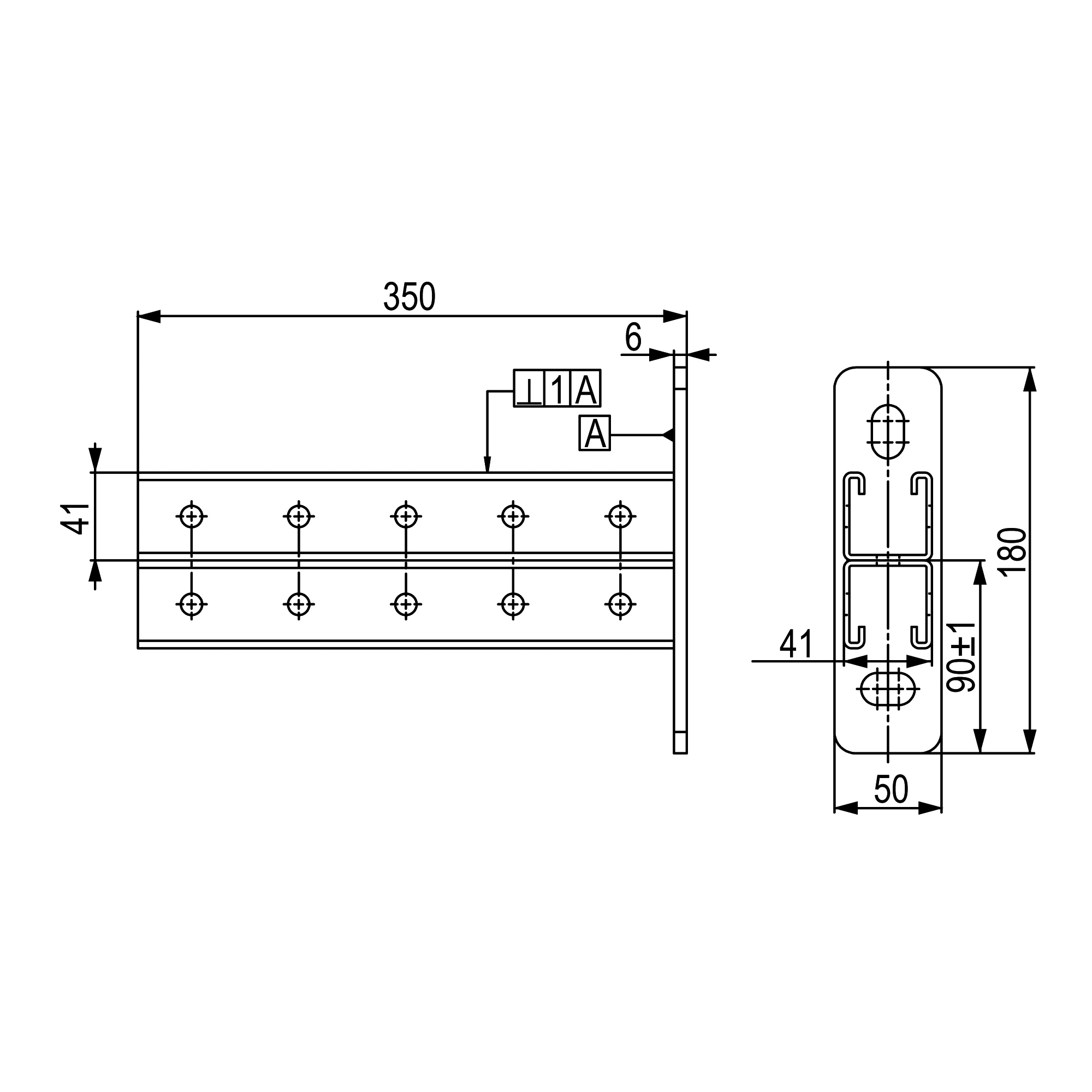
Двойная консоль BBD4130 предназначена для монтажа трассы лотков, подвесных элементов и конструкций. Предусмотерно крепление к стене и потолку, в профили BPL-21, BPL-41, BPV-21, BPV-41, BPM-21, BPM-41, BPD-21, BPD-41, в одиночный и двойной подвес. Возможность двустороннего монтажа.Горячее цинкование повышает срок службы изделия в условиях агрессивных сред и высокой влажности.
Подробнее
| Цвет | Светло-серый |
| Ширина, мм | 50 |
| Модель/исполнение | Консоль настенная двойная |
| Высота, мм | 180 |
| Защитное покрытие поверхности | Горячее цинкование |
| Длина, мм | 350 |
| Материал | Сталь |
| Несущая способность, кН | 4.8 |
| Подходит для обеспеч. целостности цепи (огнестойкость) | Да |
| Вид/ марка материала | Сталь оцинкованная |
| Материал | Сталь горячеоцинкованная погружением |