L-образный кронштейн для воздуховода с виброгасителем под шпильку М8 / М10

Код: BHLK20
Код: BHLK20
Тип упаковки:
Кол-во в упаковке: 20
Ед. изм: шт
Вес, кг: 0,060
Объем, м3: 0,00007
?
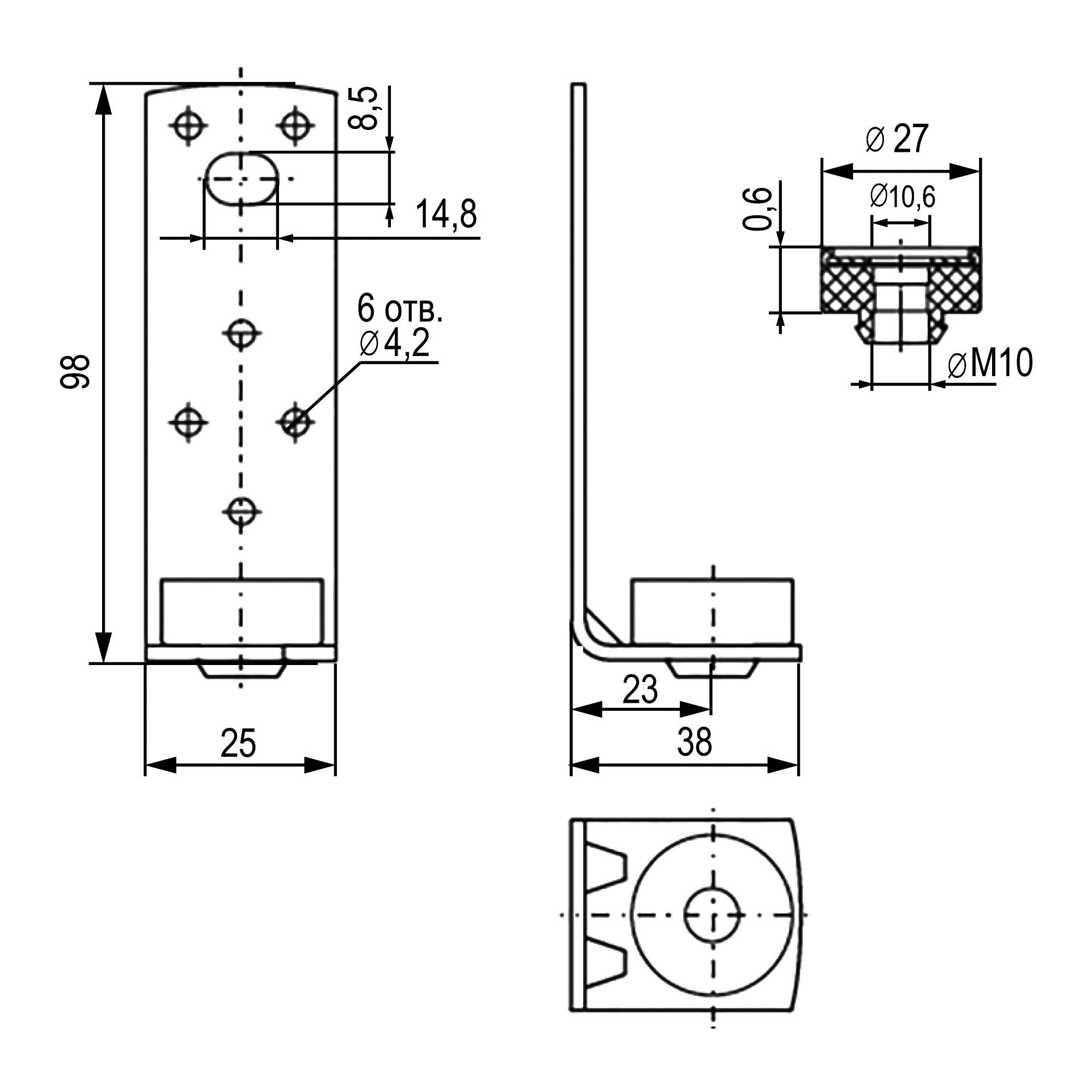
Применяется для крепления воздуховодов прямоугольного сечения к перекрытию. Виброизолирующий элемент снижает уровень шума от вибрации, создаваемой воздушным потоком. Крепится к воздуховодам с помощью винтов, болтов или с помощью заклепок. Внутреннее отверстие под шпильку диаметром 8-10 мм. Дополнительный уголок снимает часть боковой нагркзки и придает конструкции дополнительную жесткость.
Подробнее
Применяется для крепления воздуховодов прямоугольного сечения к перекрытию. Виброизолирующий элемент снижает уровень шума от вибрации, создаваемой воздушным потоком. Крепится к воздуховодам с помощью винтов, болтов или с помощью заклепок. Внутреннее отверстие под шпильку диаметром 8-10 мм. Дополнительный уголок снимает часть боковой нагркзки и придает конструкции дополнительную жесткость.
Подробнее
Защитное покрытие поверхности Гальваническое/электролит. цинковое покрытие
Материал Сталь
Тип крепления Винтовой
Шарнирный (-ая) Нет
Метрический размер резьбы (М..) 8
Диаметр трубы/кабеля, мм 4...10
Материал Сталь оцинкованная по методу Сендзимира