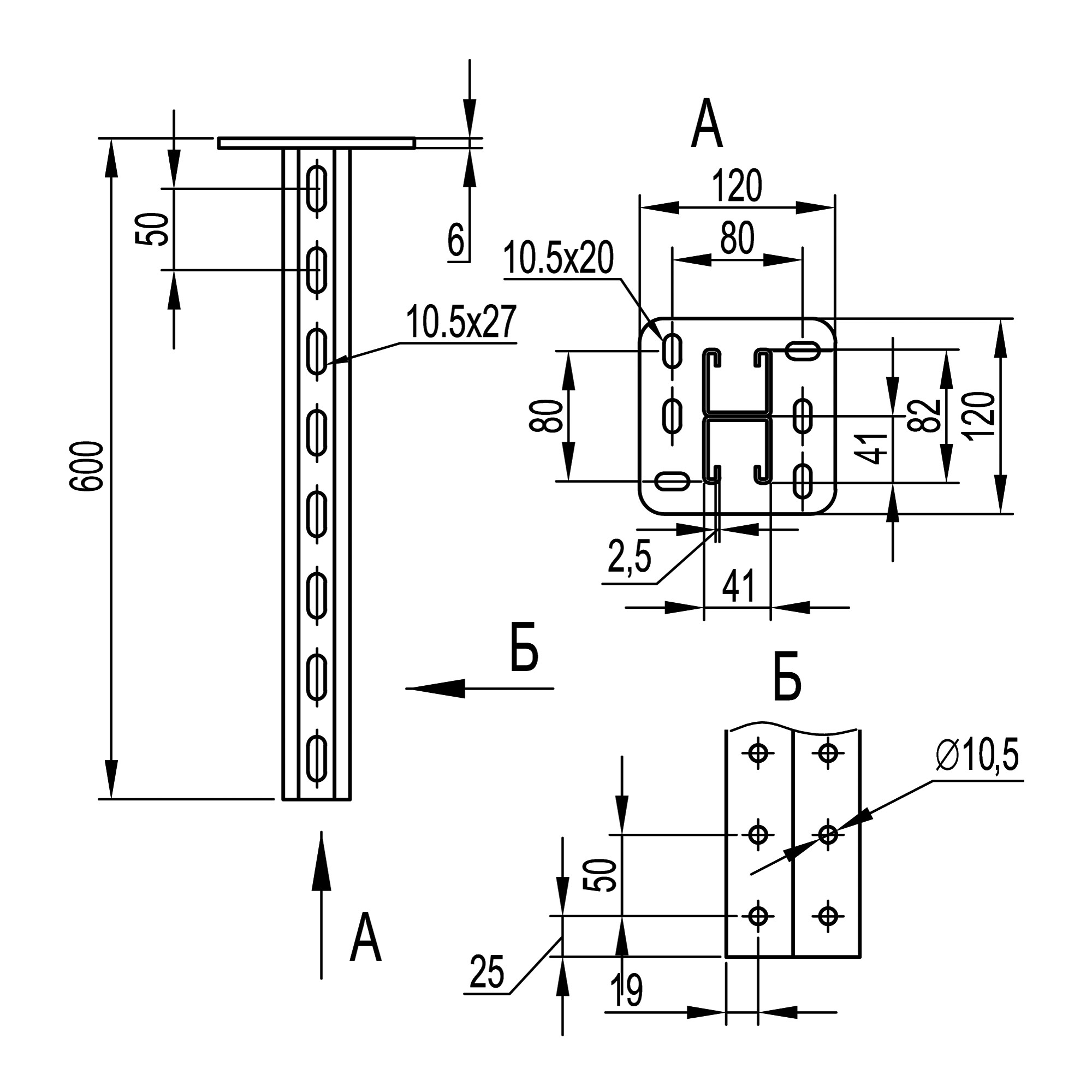
Вертикальный подвес двойной 41х41, L600
Код:
BSD4106
Код:
BSD4106
- Где купить?
-
Выберите файл
для скачивания - Страница из каталога
- Страницы - Типовой альбом A11 2011 – «Прокладка кабелей напряжением до 35кВ в траншеях и блочной канализации с применением двустенных гофрированных труб»
- Страницы - Типовой альбом DKC-2021.COMBITECH "Опорные конструкции, узлы монтажа лотков и аксессуары"
- Страницы - Типовой альбом DKC-2018.IS "Проектирование кабеленесущих конструкций для промышленных предприятий"
Двойной вертикальный подвес BSD-41 41х41 мм применяется для монтажа консолей: ВВН-60, ВВН-70, ВВН-80, BBD-21/41. Параметры С-образного двойного профиля подвеса 41х41 мм, толщина профиля подвеса 2,5 мм, толщина пластины 6 мм. Назначение: одно/двусторонний и параллельный монтаж кабельных трасс. Подвес монтируется к полу или потолку. Длина подвеса - 600 мм.
Подробнее
| Цвет | Светло-серый |
| Ширина, мм | 120 |
| Модель/исполнение | Подвесной стержень |
| Высота, мм | 120 |
| Защитное покрытие поверхности | Гальваническое/электролит. цинковое покрытие |
| Диаметр, мм | 10.5 |
| Регулируемый (ая) | Нет |
| Шарнирный (-ая) | Нет |
| Длина, мм | 600 |
| Материал | Сталь |
| Метрический размер резьбы (М..) | 10 |
| Подходит для обеспеч. целостности цепи (огнестойкость) | Нет |
| Ширина, мм | 120 |
| Длина, мм | 600 |
| Толщина листовой стали, мм | 2,5 |
| Тип изделия | Подвесы и траверсы |
| Материал | Сталь оцинкованная по методу Сендзимира |