Код: BPL2112
Код: BPL2112
Тип упаковки:
Кол-во в упаковке: 8
Ед. изм: шт
Вес, кг: 1,270
Объем, м3: 0,00089
?
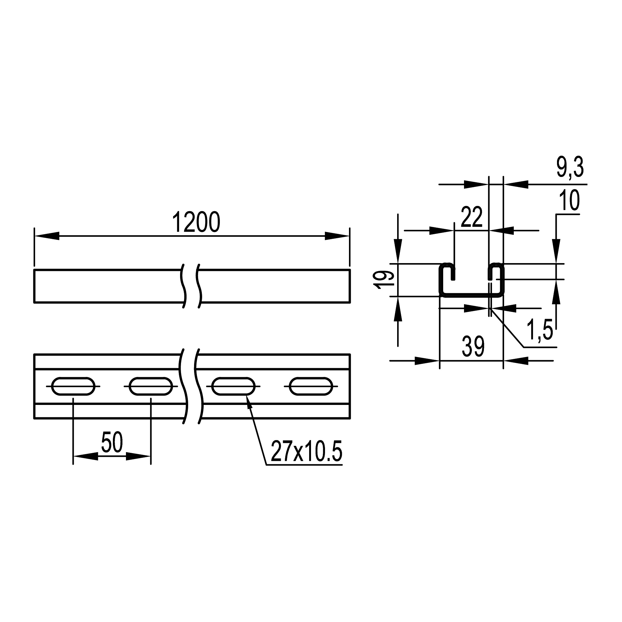
С-образный профиль BPL2112 применяется для крепления в подвес или к стене, для монтажа консолей: ВВН-60, ВВН-70, BBD-21, BBP-21/41, подвеса лотков и световых приборов на шпильках, а также в качестве кабеленесущих систем для осветительных трасс. Профиль имеет длину 1200 мм. Изготовлен из стали толщиной 1,5 мм.
С-образный профиль BPL2112 применяется для крепления в подвес или к стене, для монтажа консолей: ВВН-60, ВВН-70, BBD-21, BBP-21/41, подвеса лотков и световых приборов на шпильках, а также в качестве кабеленесущих систем для осветительных трасс. Профиль имеет длину 1200 мм. Изготовлен из стали толщиной 1,5 мм.
Модель/исполнение Одинарный профиль
Высота, мм 41
Защитное покрытие поверхности Непрерывное холодное цинкование
Толщина материала, мм 1.5
С системой зубьев (зубчатым зацеплением) Да
Длина, мм 1200
Материал Сталь
Тип перфорации Задняя сторона перфорированная
Форма профиля С-профиль
Ширина прореза/щели, мм 22
Ширина отверстия, мм 10.5
Возможность отламывания отрезков Да
Подходит для обеспеч. целостности цепи (огнестойкость) Да
Цвет Светло-серый
Длина, мм 1200
Ширина, мм 39
Высота, мм 19
Материал Сталь оцинкованная по методу Сендзимира
Толщина листовой стали, мм 1.5
Тип изделия Профили