Код: 37233KZL
Код: 37233KZL
Выведено из ассортимента . Рекомендуемая замена: 37233KHDZ
Тип упаковки:
Кол-во в упаковке: 1
Ед. изм: уп
Вес, кг: 1,400
Объем, м3: 0,01230
?
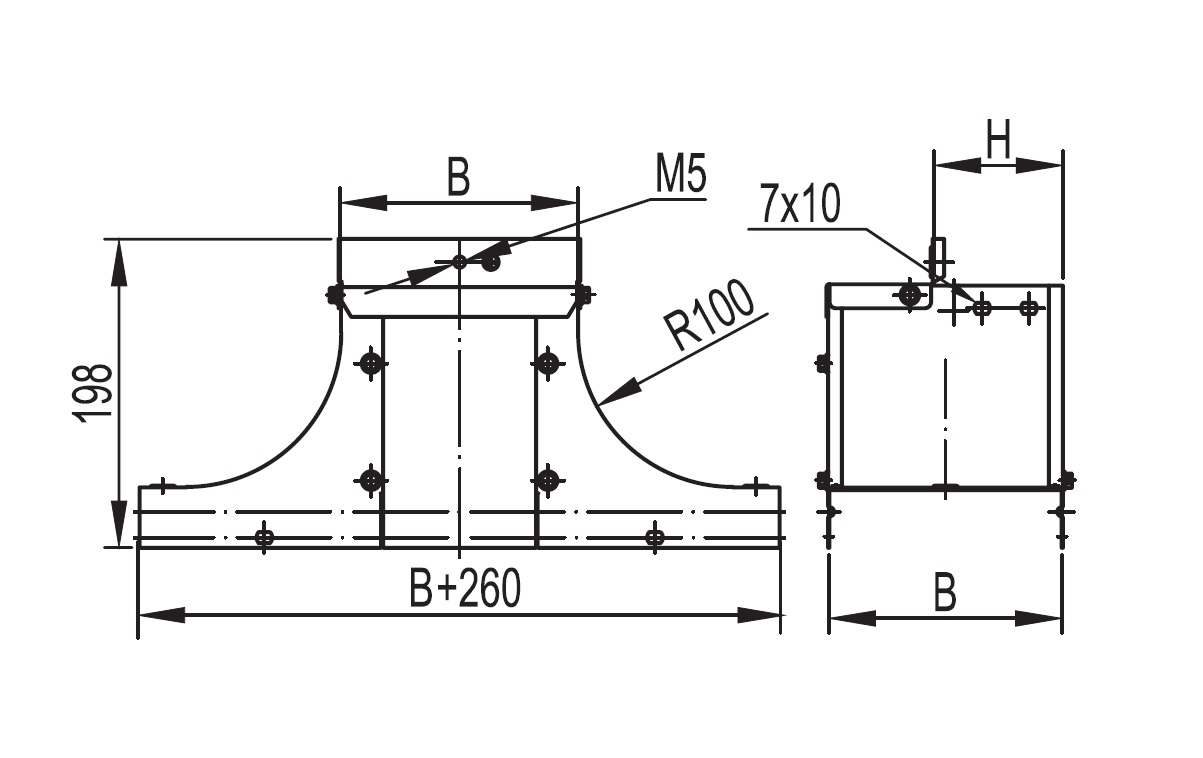
При построении кабельной трассы чаще всего требуется организовать ее изгибы и ответвления в горизонтальной и/или вертикальной плоскости. Для этого в системе "S5 Combitech" применяются аксессуары. Крышка-ответвитель TSS используется, если нужно организовать сложное ответвление кабельной трассы. Она имеет Т-образную форму. При ответвлении обеспечивается плавный изгиб, что предохраняет кабель от повреждения. Ширина лотка в горизонтальном направлении – 150 мм, в вертикальном – 150 мм, высота боковой стенки – 80 мм. Применение комплектных аксессуаров облегчает расчет числа необходимых элементов для монтажа – в комплект уже входят соединительные пластины и детали крепежа. Аксессуары в исполнении "Цинк-ламель" имеют специальное покрытие на основе химически активной магниевой смолы, в которую добавлены хлопья алюминия и цинка. Такое покрытие обеспечивает электрохимическую и барьерную защиту от коррозии. Показатели коррозионной стойкости цинк-ламельного покрытия ДКС аналогичны показателям горячеоцинкованного покрытия.
Подробнее
При построении кабельной трассы чаще всего требуется организовать ее изгибы и ответвления в горизонтальной и/или вертикальной плоскости. Для этого в системе "S5 Combitech" применяются аксессуары. Крышка-ответвитель TSS используется, если нужно организовать сложное ответвление кабельной трассы. Она имеет Т-образную форму. При ответвлении обеспечивается плавный изгиб, что предохраняет кабель от повреждения. Ширина лотка в горизонтальном направлении – 150 мм, в вертикальном – 150 мм, высота боковой стенки – 80 мм. Применение комплектных аксессуаров облегчает расчет числа необходимых элементов для монтажа – в комплект уже входят соединительные пластины и детали крепежа. Аксессуары в исполнении "Цинк-ламель" имеют специальное покрытие на основе химически активной магниевой смолы, в которую добавлены хлопья алюминия и цинка. Такое покрытие обеспечивает электрохимическую и барьерную защиту от коррозии. Показатели коррозионной стойкости цинк-ламельного покрытия ДКС аналогичны показателям горячеоцинкованного покрытия.
Подробнее
Цвет Светло-серый
Высота боковой стенки, мм 80
Материал Сталь
Ширина лотка в горизонт. направлении, мм 150
Ширина лотка в вертикал. направлении, мм 150
Нержавеющая сталь травлёная Да
Исполнение для больших расстояний (усиленный) Да
Подходит для обеспеч. целостности цепи (огнестойкость) Да
Защитное покрытие поверхности Цинк-ламельное покрытие
Вид/ марка материала Сталь
Тип продукции Крышки на системные аксессуары
Тип аксессуара Крышка-ответвитель TSS
Толщина 1.0 мм
Материал Сталь с цинк-ламельным покрытием
Ширина 150 мм