Ответвитель TDS Т-образный вертикальный ун. осн.400 в комплекте скрепежными элементами и соединительными пластинами, необходимыми длямонтажа, цинк-ламельный
Код:
37166KZL
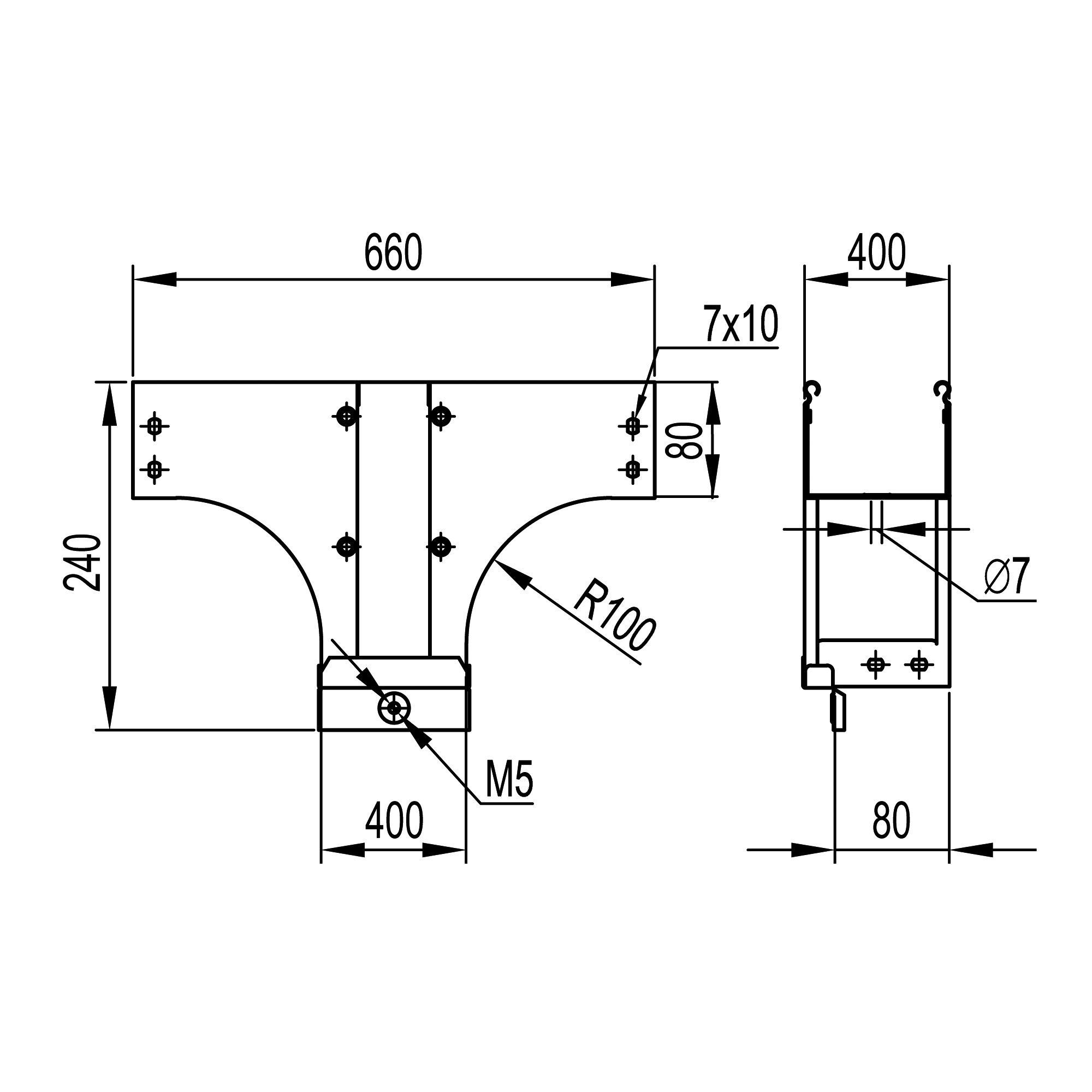
Ответвители – это аксессуары, облегчающие построение кабельных трасс сложной геометрии, с поворотами и изгибами. Они позволяют создавать ответвления кабельной трассы. Универсальный ответвитель TDS имеет Т-образную форму и применяется для организации поворотов и ответвлений в вертикальной плоскости. Его конструктив обеспечивает плавный поворот и предупреждает повреждение кабеля при прокладке. При применении вместе с крышкой обеспечивается высокая степень пыле- и влагозащиты кабеля – до IP 44, и при этом простой доступ к кабелю, т.к. крышку можно снять при необходимости.
Высота боковой стенки лотка – 80 мм, ширина в горизонтальном направлении – 400 мм, ширина в вертикальном направлении – 400 мм. Применение комплектных аксессуаров облегчает расчет числа необходимых элементов для монтажа – в комплект уже входят соединительные пластины и детали крепежа. Аксессуары в исполнении "Цинк-ламель" имеют специальное покрытие на основе химически активной магниевой смолы, в которую добавлены хлопья алюминия и цинка. Такое покрытие обеспечивает электрохимическую и барьерную защиту от коррозии. Показатели коррозионной стойкости цинк-ламельного покрытия ДКС аналогичны показателям горячеоцинкованного покрытия.
Подробнее
Высота боковой стенки лотка – 80 мм, ширина в горизонтальном направлении – 400 мм, ширина в вертикальном направлении – 400 мм. Применение комплектных аксессуаров облегчает расчет числа необходимых элементов для монтажа – в комплект уже входят соединительные пластины и детали крепежа. Аксессуары в исполнении "Цинк-ламель" имеют специальное покрытие на основе химически активной магниевой смолы, в которую добавлены хлопья алюминия и цинка. Такое покрытие обеспечивает электрохимическую и барьерную защиту от коррозии. Показатели коррозионной стойкости цинк-ламельного покрытия ДКС аналогичны показателям горячеоцинкованного покрытия.
| Цвет | Светло-серый |
| Высота боковой стенки, мм | 80 |
| Материал | Сталь |
| Ширина лотка в горизонт. направлении, мм | 400 |
| Ширина лотка в вертикал. направлении, мм | 400 |
| Нержавеющая сталь травлёная | Да |
| Исполнение для больших расстояний (усиленный) | Да |
| Подходит для обеспеч. целостности цепи (огнестойкость) | Да |
| Защитное покрытие поверхности | Цинк-ламельное покрытие |
| Вид/ марка материала | Сталь |
| Тип продукции | Системные аксессуары |
| Тип аксессуара | Ответвитель TDS T-образный вертикальный |
| Высота | 80 мм |
| Толщина | 0.8 мм |
| Материал | Сталь с цинк-ламельным покрытием |
| Ширина | 400 мм |