Код: 37332KHDZ
Код: 37332KHDZ
Тип упаковки:
Кол-во в упаковке: 1
Ед. изм: уп
Вес, кг: 1,210
Объем, м3: 0,00612
?
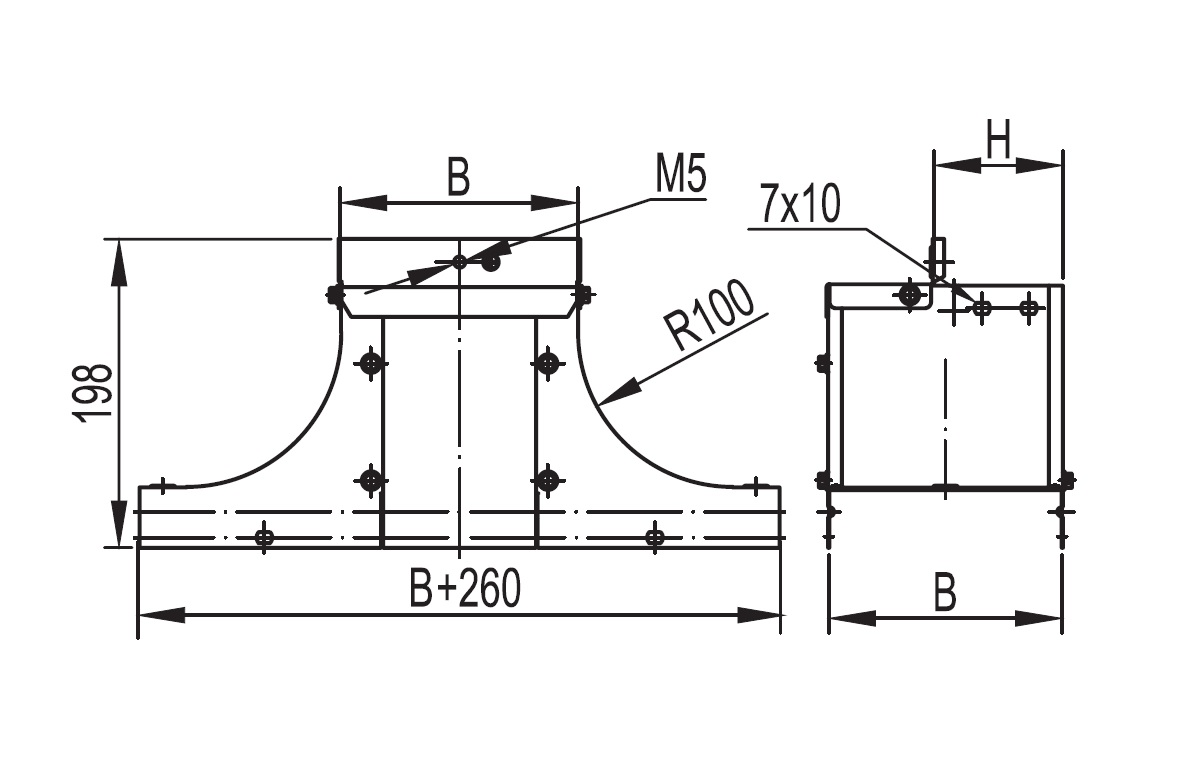
При построении кабельной трассы чаще всего требуется организовать ее изгибы и ответвления в горизонтальной и/или вертикальной плоскости. Для этого в системе "S5 Combitech" применяются аксессуары. Крышка-ответвитель TSS используется, если нужно организовать сложное ответвление кабельной трассы. Она имеет Т-образную форму. При ответвлении обеспечивается плавный изгиб, что предохраняет кабель от повреждения. Ширина лотка в горизонтальном направлении – 100 мм, в вертикальном – 100 мм, высота боковой стенки – 100 мм.
Применение комплектных аксессуаров облегчает расчет числа необходимых элементов для монтажа – в комплект уже входят соединительные пластины и детали крепежа. Он выполнен в специальном исполнении "Горячий цинк", которое отличает повышенная устойчивость к коррозии. Горячеоцинкованное изделие защищено от образования ржавчины на срок 30-50 лет (в зависимости от условий, в которых эксплуатируется изделие).
Подробнее
При построении кабельной трассы чаще всего требуется организовать ее изгибы и ответвления в горизонтальной и/или вертикальной плоскости. Для этого в системе "S5 Combitech" применяются аксессуары. Крышка-ответвитель TSS используется, если нужно организовать сложное ответвление кабельной трассы. Она имеет Т-образную форму. При ответвлении обеспечивается плавный изгиб, что предохраняет кабель от повреждения. Ширина лотка в горизонтальном направлении – 100 мм, в вертикальном – 100 мм, высота боковой стенки – 100 мм.
Применение комплектных аксессуаров облегчает расчет числа необходимых элементов для монтажа – в комплект уже входят соединительные пластины и детали крепежа. Он выполнен в специальном исполнении "Горячий цинк", которое отличает повышенная устойчивость к коррозии. Горячеоцинкованное изделие защищено от образования ржавчины на срок 30-50 лет (в зависимости от условий, в которых эксплуатируется изделие).
Подробнее
Цвет Светло-серый
Защитное покрытие поверхности Горячее цинкование
Высота боковой стенки, мм 100
Материал Сталь
Ширина лотка в горизонт. направлении, мм 100
Ширина лотка в вертикал. направлении, мм 100
Нержавеющая сталь травлёная Да
Исполнение для больших расстояний (усиленный) Да
Подходит для обеспеч. целостности цепи (огнестойкость) Да
Вид/ марка материала Сталь
Тип продукции Крышки на системные аксессуары
Тип аксессуара Крышка-ответвитель TSS
Высота 100 мм
Толщина 1.0 мм
Материал Сталь горячеоцинкованная погружением
Ширина 100 мм