Код: 37226KHDZ
Код: 37226KHDZ
Тип упаковки:
Кол-во в упаковке: 1
Ед. изм: уп
Вес, кг: 4,050
Объем, м3: 0,05280
?
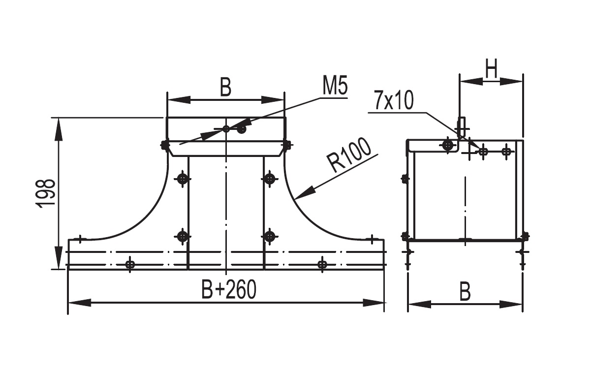
Построение кабельных трасс на многих объектов требует организации ответвлений и поворотов. Для этого в системе "S5 Combitech" применяются различные аксессуары. Ответвитель вверх TSS служит для организации ответвления в вертикальной плоскости. При ответвлении обеспечивается плавный изгиб, что предохраняет кабель от повреждения. Ширина лотка в горизонтальном направлении – 400 мм, в вертикальном – 400 мм, высота боковой стенки – 80 мм.
Применение комплектных аксессуаров облегчает расчет числа необходимых элементов для монтажа – в комплект уже входят соединительные пластины и детали крепежа. Он выполнен в специальном исполнении "Горячий цинк", которое отличает повышенная устойчивость к коррозии. Горячеоцинкованное изделие защищено от образования ржавчины на срок 30-50 лет (в зависимости от условий, в которых эксплуатируется изделие).
Подробнее
Построение кабельных трасс на многих объектов требует организации ответвлений и поворотов. Для этого в системе "S5 Combitech" применяются различные аксессуары. Ответвитель вверх TSS служит для организации ответвления в вертикальной плоскости. При ответвлении обеспечивается плавный изгиб, что предохраняет кабель от повреждения. Ширина лотка в горизонтальном направлении – 400 мм, в вертикальном – 400 мм, высота боковой стенки – 80 мм.
Применение комплектных аксессуаров облегчает расчет числа необходимых элементов для монтажа – в комплект уже входят соединительные пластины и детали крепежа. Он выполнен в специальном исполнении "Горячий цинк", которое отличает повышенная устойчивость к коррозии. Горячеоцинкованное изделие защищено от образования ржавчины на срок 30-50 лет (в зависимости от условий, в которых эксплуатируется изделие).
Подробнее
Цвет Светло-серый
Защитное покрытие поверхности Горячее цинкование
Высота боковой стенки, мм 80
Материал Сталь
Ширина лотка в горизонт. направлении, мм 400
Ширина лотка в вертикал. направлении, мм 400
Нержавеющая сталь травлёная Да
Исполнение для больших расстояний (усиленный) Да
Подходит для обеспеч. целостности цепи (огнестойкость) Да
Вид/ марка материала Сталь
Тип продукции Крышки на системные аксессуары
Тип аксессуара Крышка-ответвитель TSS
Высота 80 мм
Толщина 1.0 мм
Материал Сталь горячеоцинкованная погружением
Ширина 400 мм