Ответвитель TDS Т-образный вертикальный ун. осн.400 в комплекте с крепежными элементами и соединительными пластинами, необходимыми для монтажа, горячеоцинкованный
Код:
37166KHDZ
Код:
37166KHDZ
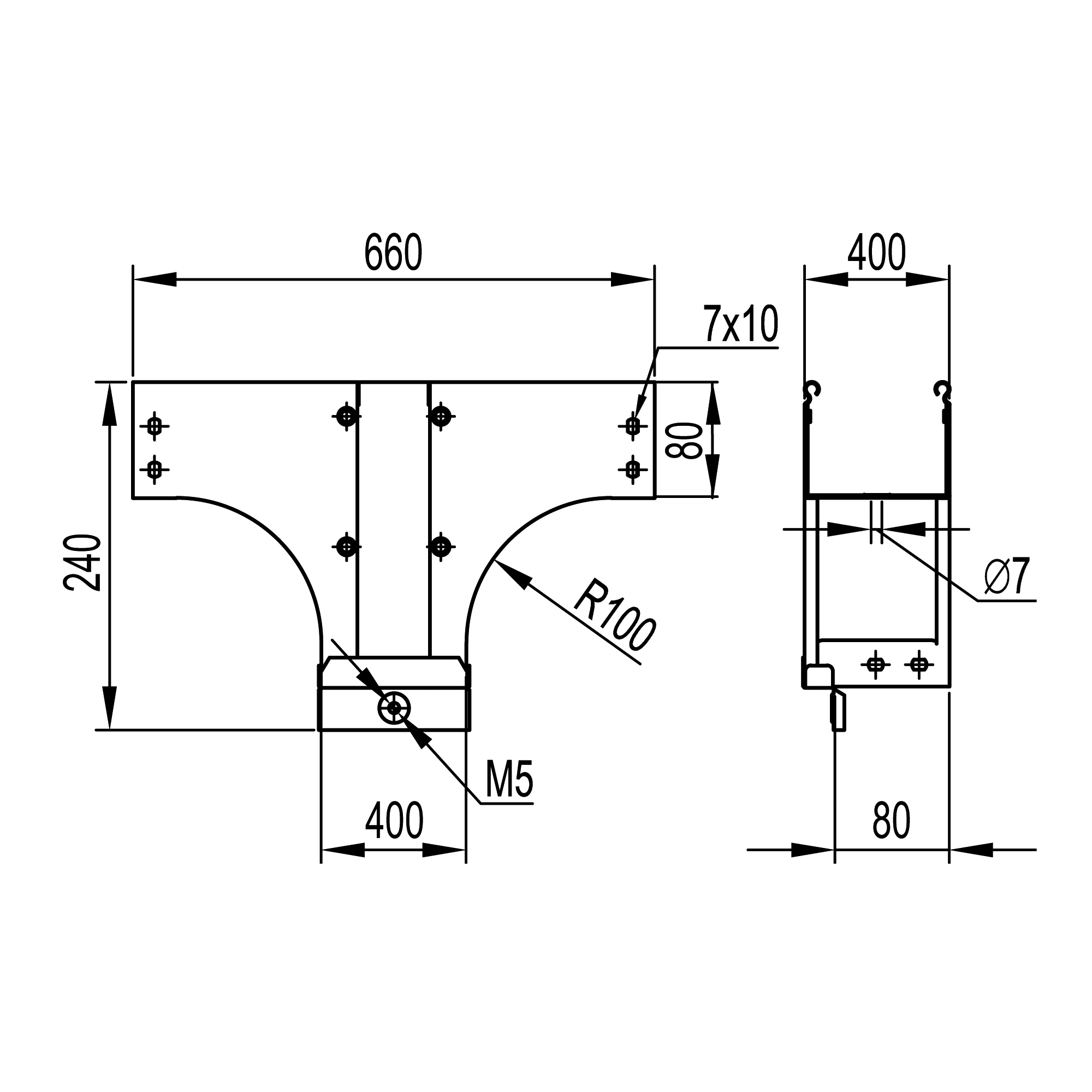
Ответвители – это аксессуары, облегчающие построение кабельных трасс сложной геометрии, с поворотами и изгибами. Они позволяют создавать ответвления кабельной трассы. Универсальный ответвитель TDS имеет Т-образную форму и применяется для организации поворотов и ответвлений в вертикальной плоскости. Его конструктив обеспечивает плавный поворот и предупреждает повреждение кабеля при прокладке. При применении вместе с крышкой обеспечивается высокая степень пыле- и влагозащиты кабеля – до IP 44, и при этом простой доступ к кабелю, т.к. крышку можно снять при необходимости.
Высота боковой стенки лотка – 80 мм, ширина в горизонтальном направлении – 400 мм, ширина в вертикальном направлении – 400 мм. Применение комплектных аксессуаров облегчает расчет числа необходимых элементов для монтажа – в комплект уже входят соединительные пластины и детали крепежа. Он выполнен в специальном исполнении "Горячий цинк", которое отличает повышенная устойчивость к коррозии. Горячеоцинкованное изделие защищено от образования ржавчины на срок 30-50 лет (в зависимости от условий, в которых эксплуатируется изделие).
Подробнее
Высота боковой стенки лотка – 80 мм, ширина в горизонтальном направлении – 400 мм, ширина в вертикальном направлении – 400 мм. Применение комплектных аксессуаров облегчает расчет числа необходимых элементов для монтажа – в комплект уже входят соединительные пластины и детали крепежа. Он выполнен в специальном исполнении "Горячий цинк", которое отличает повышенная устойчивость к коррозии. Горячеоцинкованное изделие защищено от образования ржавчины на срок 30-50 лет (в зависимости от условий, в которых эксплуатируется изделие).
| Цвет | Светло-серый |
| Защитное покрытие поверхности | Горячее цинкование |
| Высота боковой стенки, мм | 80 |
| Материал | Сталь |
| Ширина лотка в горизонт. направлении, мм | 400 |
| Ширина лотка в вертикал. направлении, мм | 400 |
| Нержавеющая сталь травлёная | Да |
| Исполнение для больших расстояний (усиленный) | Да |
| Подходит для обеспеч. целостности цепи (огнестойкость) | Да |
| Вид/ марка материала | Сталь |
| Тип продукции | Системные аксессуары |
| Тип аксессуара | Ответвитель TDS T-образный вертикальный |
| Высота | 80 мм |
| Толщина | 0.8 мм |
| Материал | Сталь горячеоцинкованная погружением |
| Ширина | 400 мм |