Ответвитель TD Т-образный вертикальный 100/80 в комплекте с крепежными элементами и соединительными пластинами, необходимыми для монтажа, горячеоцинкованный

Код: 37102KHDZ
Код: 37102KHDZ
Тип упаковки:
Кол-во в упаковке: 1
Ед. изм: уп
Вес, кг: 1,580
Объем, м3: 0,00714
?
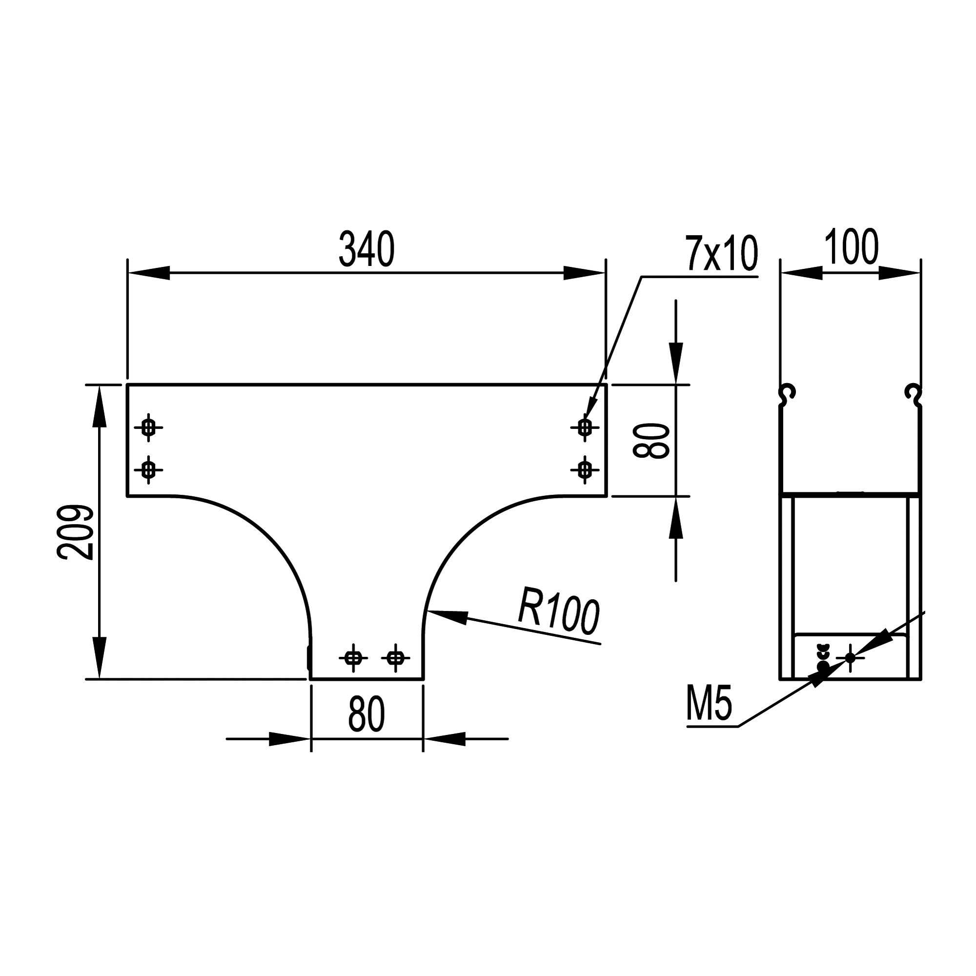
Ответвители – это аксессуары, облегчающие построение кабельных трасс сложной геометрии, с поворотами и изгибами. Они позволяют создавать ответвления кабельной трассы. Ответвитель TD имеет Т-образную форму и применяется для организации поворотов и ответвлений в вертикальной плоскости. Его конструктив обеспечивает плавный поворот и предупреждает повреждение кабеля при прокладке. При применении вместе с крышкой обеспечивается высокая степень пыле- и влагозащиты кабеля – до IP 44, и при этом простой доступ к кабелю, т.к. крышку можно снять при необходимости. Высота боковой стенки лотка – 80 мм, ширина в горизонтальном направлении – 100 мм, ширина в вертикальном направлении – 80 мм. Применение комплектных аксессуаров облегчает расчет числа необходимых элементов для монтажа – в комплект уже входят соединительные пластины и детали крепежа. Он выполнен в специальном исполнении "Горячий цинк", которое отличает повышенная устойчивость к коррозии. Горячеоцинкованное изделие защищено от образования ржавчины на срок 30-50 лет (в зависимости от условий, в которых эксплуатируется изделие).
Подробнее
Ответвители – это аксессуары, облегчающие построение кабельных трасс сложной геометрии, с поворотами и изгибами. Они позволяют создавать ответвления кабельной трассы. Ответвитель TD имеет Т-образную форму и применяется для организации поворотов и ответвлений в вертикальной плоскости. Его конструктив обеспечивает плавный поворот и предупреждает повреждение кабеля при прокладке. При применении вместе с крышкой обеспечивается высокая степень пыле- и влагозащиты кабеля – до IP 44, и при этом простой доступ к кабелю, т.к. крышку можно снять при необходимости. Высота боковой стенки лотка – 80 мм, ширина в горизонтальном направлении – 100 мм, ширина в вертикальном направлении – 80 мм. Применение комплектных аксессуаров облегчает расчет числа необходимых элементов для монтажа – в комплект уже входят соединительные пластины и детали крепежа. Он выполнен в специальном исполнении "Горячий цинк", которое отличает повышенная устойчивость к коррозии. Горячеоцинкованное изделие защищено от образования ржавчины на срок 30-50 лет (в зависимости от условий, в которых эксплуатируется изделие).
Подробнее
Цвет Светло-серый
Защитное покрытие поверхности Горячее цинкование
Высота боковой стенки, мм 80
Материал Сталь
Ширина лотка в горизонт. направлении, мм 100
Ширина лотка в вертикал. направлении, мм 80
Нержавеющая сталь травлёная Да
Исполнение для больших расстояний (усиленный) Да
Подходит для обеспеч. целостности цепи (огнестойкость) Да
Вид/ марка материала Сталь
Тип продукции Системные аксессуары
Тип аксессуара Ответвитель TD Т-образный вертикальный
Высота 80 мм
Толщина 0.8 мм
Материал Сталь горячеоцинкованная погружением
Ширина 100 мм