Ответвитель-переходник TDSR T-обр. вертикальный 200/80 в комплекте с крепежными элементами и соединительными пластинами, необходимым для монтажа

Код: 37623K
Код: 37623K
Тип упаковки:
Кол-во в упаковке: 1
Ед. изм: уп
Вес, кг: 1,960
Объем, м3: 0,01632
?
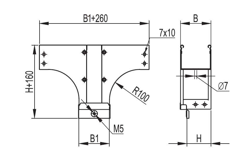
Ответвители – это аксессуары, облегчающие построение кабельных трасс сложной геометрии, с поворотами и изгибами. Они позволяют создавать ответвления кабельной трассы. Ответвитель-переходник TDSR имеет Т-образную форму и применяется для организации поворотов и ответвлений в вертикальной плоскости. Его конструктив обеспечивает плавный поворот и предупреждает повреждение кабеля при прокладке. При применении вместе с крышкой обеспечивается высокая степень пыле- и влагозащиты кабеля – до IP 44, и при этом простой доступ к кабелю, т.к. крышку можно снять при необходимости.
Исполнение – "сталь, оцинкованная по методу Сендзимира". Высота боковой стенки лотка – 80 мм, ширина в горизонтальном направлении – 200 мм, ширина в вертикальном направлении – 80 мм. В комплект входят элементы, необходимые для качественного и надежного монтажа – соединительные пластины и крепежные элементы.
Подробнее
Ответвители – это аксессуары, облегчающие построение кабельных трасс сложной геометрии, с поворотами и изгибами. Они позволяют создавать ответвления кабельной трассы. Ответвитель-переходник TDSR имеет Т-образную форму и применяется для организации поворотов и ответвлений в вертикальной плоскости. Его конструктив обеспечивает плавный поворот и предупреждает повреждение кабеля при прокладке. При применении вместе с крышкой обеспечивается высокая степень пыле- и влагозащиты кабеля – до IP 44, и при этом простой доступ к кабелю, т.к. крышку можно снять при необходимости.
Исполнение – "сталь, оцинкованная по методу Сендзимира". Высота боковой стенки лотка – 80 мм, ширина в горизонтальном направлении – 200 мм, ширина в вертикальном направлении – 80 мм. В комплект входят элементы, необходимые для качественного и надежного монтажа – соединительные пластины и крепежные элементы.
Подробнее
Цвет Светло-серый
Высота боковой стенки, мм 80
Материал Сталь
Ширина лотка в горизонт. направлении, мм 200
Ширина лотка в вертикал. направлении, мм 80
Нержавеющая сталь травлёная Да
Исполнение для больших расстояний (усиленный) Да
Подходит для обеспеч. целостности цепи (огнестойкость) Да
Защитное покрытие поверхности Оцинковка горячим способом по методу Сендзимира
Вид/ марка материала Сталь
Тип продукции Системные аксессуары
Тип аксессуара Ответвитель-переходник TDSR T-образный вертикальный
Высота 80 мм
Толщина 0.8 мм
Материал Сталь оцинкованная по методу Сендзимира
Ширина 200 мм