Крышка-ответвитель TSS осн.400 H50 в комплекте с крепежными элементами и соединительными пластинами, необходимыми для монтажа
Код:
37536K
Код:
37536K
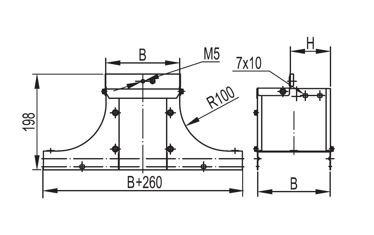
При построении кабельной трассы чаще всего требуется организовать ее изгибы и ответвления в горизонтальной и/или вертикальной плоскости. Для этого в системе "S5 Combitech" применяются аксессуары. Крышка-ответвитель TSS используется, если нужно организовать сложное ответвление кабельной трассы. Она имеет Т-образную форму. При ответвлении обеспечивается плавный изгиб, что предохраняет кабель от повреждения.
Исполнение аксессуара – "сталь, оцинкованная по методу Сендзимира". Ширина лотка в горизонтальном направлении – 400 мм, в вертикальном – 400 мм, высота боковой стенки – 50 мм. В комплект уже включены соединительные пластины и крепежные элементы, которые будут необходимы для монтажа.
Подробнее
Исполнение аксессуара – "сталь, оцинкованная по методу Сендзимира". Ширина лотка в горизонтальном направлении – 400 мм, в вертикальном – 400 мм, высота боковой стенки – 50 мм. В комплект уже включены соединительные пластины и крепежные элементы, которые будут необходимы для монтажа.
| Цвет | Светло-серый |
| Высота боковой стенки, мм | 50 |
| Материал | Сталь |
| Ширина лотка в горизонт. направлении, мм | 400 |
| Ширина лотка в вертикал. направлении, мм | 400 |
| Нержавеющая сталь травлёная | Да |
| Исполнение для больших расстояний (усиленный) | Да |
| Подходит для обеспеч. целостности цепи (огнестойкость) | Да |
| Защитное покрытие поверхности | Оцинковка горячим способом по методу Сендзимира |
| Вид/ марка материала | Сталь |
| Тип продукции | Крышки на системные аксессуары |
| Тип аксессуара | Крышка-ответвитель TSS |
| Высота | 50 мм |
| Толщина | 1.0 мм |
| Материал | Сталь оцинкованная по методу Сендзимира |
| Ширина | 400 мм |