Код: 37534K
Код: 37534K
Тип упаковки:
Кол-во в упаковке: 1
Ед. изм: уп
Вес, кг: 1,870
Объем, м3: 0,01932
?
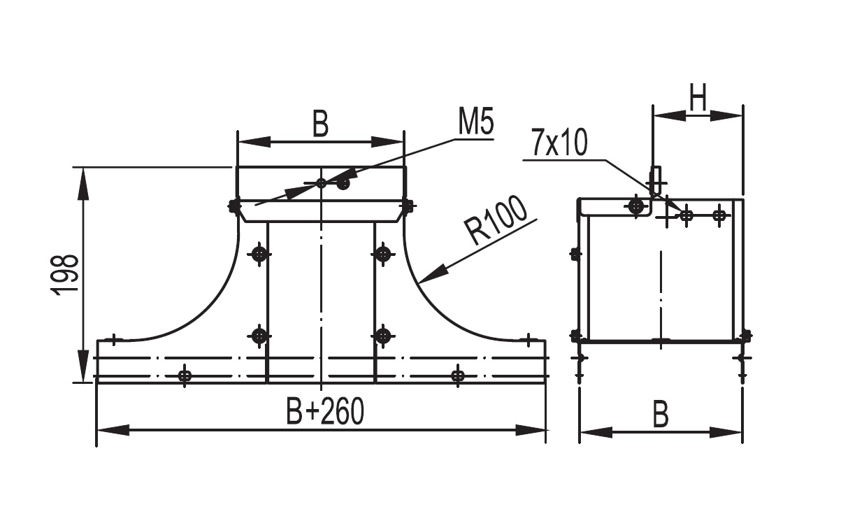
При построении кабельной трассы чаще всего требуется организовать ее изгибы и ответвления в горизонтальной и/или вертикальной плоскости. Для этого в системе "S5 Combitech" применяются аксессуары. Крышка-ответвитель TSS используется, если нужно организовать сложное ответвление кабельной трассы. Она имеет Т-образную форму. При ответвлении обеспечивается плавный изгиб, что предохраняет кабель от повреждения.
Исполнение аксессуара – "сталь, оцинкованная по методу Сендзимира". Ширина лотка в горизонтальном направлении – 200 мм, в вертикальном – 200 мм, высота боковой стенки – 50 мм. В комплект уже включены соединительные пластины и крепежные элементы, которые будут необходимы для монтажа.
Подробнее
При построении кабельной трассы чаще всего требуется организовать ее изгибы и ответвления в горизонтальной и/или вертикальной плоскости. Для этого в системе "S5 Combitech" применяются аксессуары. Крышка-ответвитель TSS используется, если нужно организовать сложное ответвление кабельной трассы. Она имеет Т-образную форму. При ответвлении обеспечивается плавный изгиб, что предохраняет кабель от повреждения.
Исполнение аксессуара – "сталь, оцинкованная по методу Сендзимира". Ширина лотка в горизонтальном направлении – 200 мм, в вертикальном – 200 мм, высота боковой стенки – 50 мм. В комплект уже включены соединительные пластины и крепежные элементы, которые будут необходимы для монтажа.
Подробнее
Цвет Светло-серый
Высота боковой стенки, мм 50
Материал Сталь
Ширина лотка в горизонт. направлении, мм 200
Ширина лотка в вертикал. направлении, мм 200
Нержавеющая сталь травлёная Да
Исполнение для больших расстояний (усиленный) Да
Подходит для обеспеч. целостности цепи (огнестойкость) Да
Защитное покрытие поверхности Оцинковка горячим способом по методу Сендзимира
Вид/ марка материала Сталь
Тип продукции Крышки на системные аксессуары
Тип аксессуара Крышка-ответвитель TSS
Высота 50 мм
Толщина 1.0 мм
Материал Сталь оцинкованная по методу Сендзимира
Ширина 200 мм