Код: MC-L24RPP
Код: MC-L24RPP
Тип упаковки:
Кол-во в упаковке: 5
Ед. изм: шт
Вес, кг: 0,016
Объем, м3: 0,00003
?
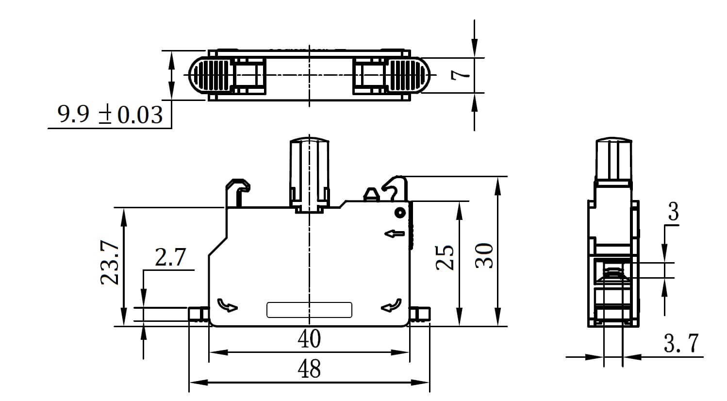
Контактный блок с клеммным безвинтовым зажимом и светодиодом на 9-24В, красный, служит для индикации и контроля состояния системы. Корпус из полиамида и износостойкий диод повышают видимость и долговечность, улучшая безопасность и оперативность работы с оборудованием.
Контактный блок с клеммным безвинтовым зажимом и светодиодом на 9-24В, красный, служит для индикации и контроля состояния системы. Корпус из полиамида и износостойкий диод повышают видимость и долговечность, улучшая безопасность и оперативность работы с оборудованием.
Цоколь (патрон) лампы Нет (без)
С встроенным вольтоснижающим (токоограничительным) резистором Нет
С встроенным диодом Да
Цвет лампы Красный
Тип лампы Светодиод. (LED)
Тип крепления Крепление к основанию/полу
Тип подключения вспомогат. цепей Соединение с пружинным зажимом
Номинальное напряжение Ue при AC 50 Гц, В 9...24
Тип напряжения управления AC/DC (перемен./постоян.)
Тип подключения Соединение с пружинным зажимом
Тип контакта LED
Напряжение, В 9-24
Тип продукции Контактный блок