Авт. выкл. YON pro MNX400H 3P 400A 150kA при AC415V расц. TMD

Код: MNX400H3PTMD0400
Код: MNX400H3PTMD0400
Тип упаковки:
Кол-во в упаковке: 1
Ед. изм: шт

Номинальный ток In:

Количество полюсов:

Вид расцепителя:

Предельная отключающая способность Icu:

Автоматический выключатель в литом корпусе MNX предназначен для применения в различных типах низковольтных комплектных устройств до 1600 А. Входит в состав комплексных решений на базе продукции YON PRO, «РАМ Пауэр» (RAM power), «РАМ МСС» (RAM mcc). Номинальный ток 400А; Расцепитель TMD; 3P; 150kA
Автоматический выключатель в литом корпусе MNX предназначен для применения в различных типах низковольтных комплектных устройств до 1600 А. Входит в состав комплексных решений на базе продукции YON PRO, «РАМ Пауэр» (RAM power), «РАМ МСС» (RAM mcc). Номинальный ток 400А; Расцепитель TMD; 3P; 150kA
Номин. продолжительный ток Iu, А 400
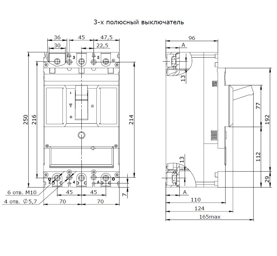
Количество полюсов 3
Диапазон установки расцепителя перегрузки, А 320...400
Номин. напряжение, В 400...690
Степень защиты (IP) IP20
Вид подключения главной электрич. цепи Подключение спереди
Моторный привод встроенный Нет
Тип подключения силовой электрич. цепи Болтовое соединение
Тип элемента управления Рычажковый (перекидной рычаг)
Возможность установки индикатора отключения Да
Номин. отключающая способность Icu при 400 В, 50 Гц, кА 150
Подходит для монтажа на DIN-рейку (-типа) Нет
Встроенная защита от замыканий на землю Нет
Моторный привод опционально Да
С расцепителем минимального напряжения Нет
Конструкция прибора Встраив. устройство фиксированной установки (стационарный)
Монтаж на DIN-рейку (-типа) опционально Нет
Тип изделия/компонента Выключатель автоматический в литом корпусе
Комплектное устройство с блоком защиты Да
Тип расцепителя Тепловой и электромагнитный
Номинальный ток In 400A
Количество полюсов 3
Предельная отключающая способность Icu 150kA
Регулировка токов в зоне перегрузки Да
Регулировка токов в зоне короткого замыкания Да
Вид расцепителя TMD