Авт. выкл. YON pro MNX125M 2P 40A 100kA при AC240V расц. TMD

Код: MNX125M2PTMD0040
Код: MNX125M2PTMD0040
Тип упаковки:
Кол-во в упаковке: 1
Ед. изм: шт

Номинальный ток In:

Количество полюсов:

Вид расцепителя:

Предельная отключающая способность Icu:

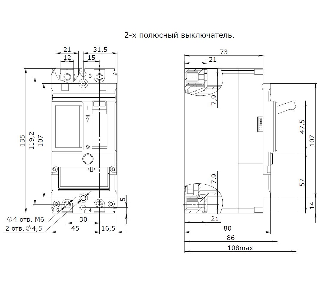
Автоматический выключатель в литом корпусе MNX предназначен для применения в различных типах низковольтных комплектных устройств до 1600 А. Входит в состав комплексных решений на базе продукции YON PRO, «РАМ Пауэр» (RAM power), «РАМ МСС» (RAM mcc). Номинальный ток 40А; Расцепитель TMD; 2P; 100kA
Автоматический выключатель в литом корпусе MNX предназначен для применения в различных типах низковольтных комплектных устройств до 1600 А. Входит в состав комплексных решений на базе продукции YON PRO, «РАМ Пауэр» (RAM power), «РАМ МСС» (RAM mcc). Номинальный ток 40А; Расцепитель TMD; 2P; 100kA
Номин. продолжительный ток Iu, А 40
Количество полюсов 2
Диапазон установки расцепителя перегрузки, А 32...40
Номин. напряжение, В 230...240
Степень защиты (IP) IP20
Вид подключения главной электрич. цепи Подключение спереди
Моторный привод встроенный Нет
Тип подключения силовой электрич. цепи Болтовое соединение
Тип элемента управления Рычажковый (перекидной рычаг)
Возможность установки индикатора отключения Да
Подходит для монтажа на DIN-рейку (-типа) Нет
Встроенная защита от замыканий на землю Нет
Моторный привод опционально Нет
С расцепителем минимального напряжения Нет
Конструкция прибора Встраив. устройство фиксированной установки (стационарный)
Монтаж на DIN-рейку (-типа) опционально Нет
Номин. отключающая способность Icu при 400 В, 50 Гц, кА 100
Тип изделия/компонента Выключатель автоматический в литом корпусе
Комплектное устройство с блоком защиты Да
Номинальный ток In 40A
Количество полюсов 2
Тип расцепителя Тепловой и электромагнитный
Предельная отключающая способность Icu 100kA
Регулировка токов в зоне перегрузки Да
Регулировка токов в зоне короткого замыкания Да
Вид расцепителя TMD