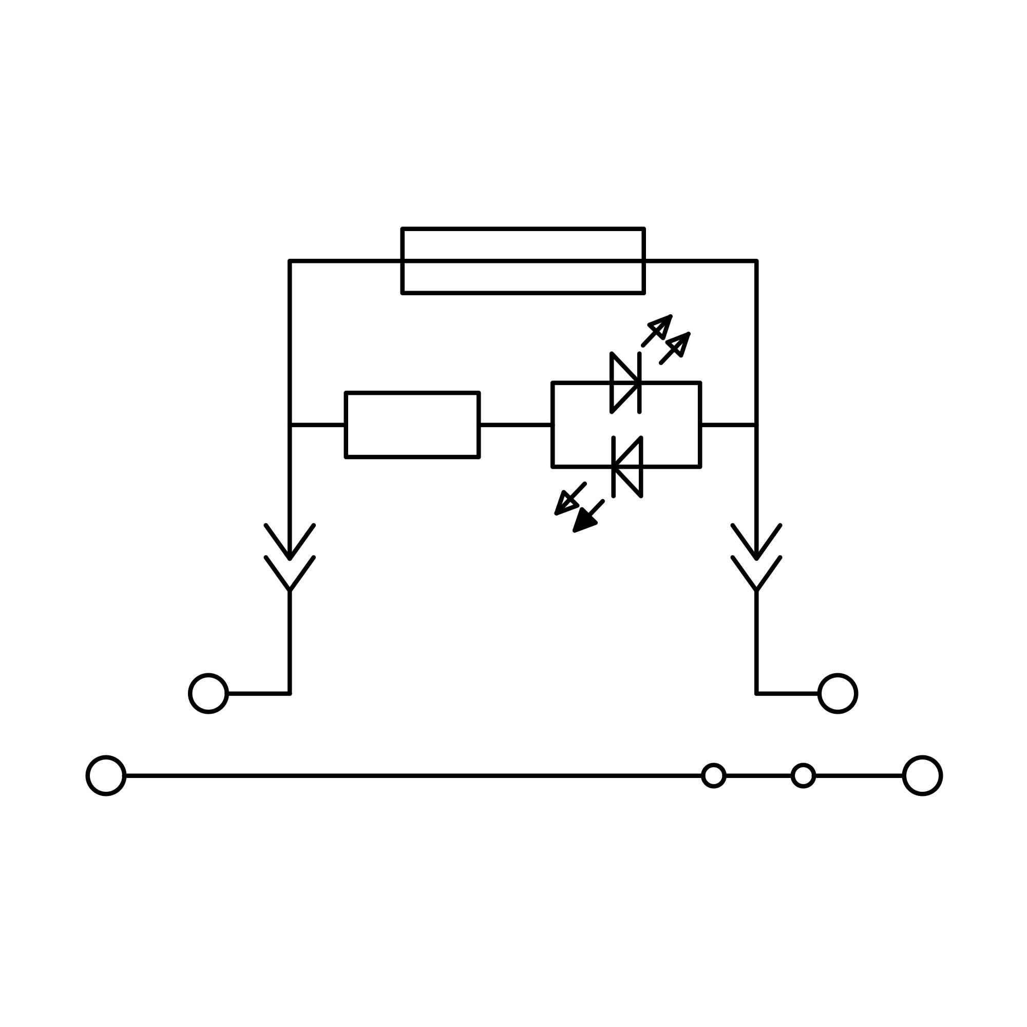
Клемма двухуровневая, верхний уровень для предохранителя, индикация 250В, нижний -проходной, винтовой зажим, 4 точки подключения, 4 кв.мм

Код: TTURB-4-HESILED250
Код: TTURB-4-HESILED250
Тип упаковки:
Кол-во в упаковке: 50
Ед. изм: шт
Вес, кг: 0,096
Объем, м3: 0,00008
?
Двухуровневая клемма с винтовым зажимом и четырьмя точками подключения оснащена светодиодной индикацией перегорания предохранителя (250 В). Верхний уровень предназначен для установки плавкого предохранителя цилиндрического типа 5×20 мм, нижний — проходной. Номинальное сечение 4 мм². Габариты 101,7×82,3×6,2 мм, цвет черный.
Подробнее
Двухуровневая клемма с винтовым зажимом и четырьмя точками подключения оснащена светодиодной индикацией перегорания предохранителя (250 В). Верхний уровень предназначен для установки плавкого предохранителя цилиндрического типа 5×20 мм, нижний — проходной. Номинальное сечение 4 мм². Габариты 101,7×82,3×6,2 мм, цвет черный.
Подробнее
Тип используемого предохранителя Цилиндр. плавкий предохранитель 5х20 мм
Номин. ток In, А 6.3
Номин. напряжение, В 250
Тип индикатора для индикации дефекта Светодиод. (LED)
Напряжение питания для индикатора дефекта, В 110...250
Тип питания для индикации дефекта AC/DC (перемен./постоян.)
Тип держателя предохранителя Поворотный
Цвет Черный
Длина, мм 82.3
Ширина/размер ячейки, мм 6.2
Высота (на мин. возможной высоте установки), мм 101.7
Материал изоляции корпуса Термопласт
Рабочая температура, °C -40...105
Класс воспламеняемости изоляц. материала согл. UL94 V0
Поперечн. сечение подключ. однопроволочного (жесткого) провода, мм² 0.14...4
Поперечн. сечение подключ. тонкопроволочного провода с наконечником, мм² 0.14...4
Поперечн. сечение подключ. тонкопроволочного провода без наконечника, мм² 0.14...4
Поперечн. сечение подключ. многопроволочного (гибкого) провода, мм² 0.14...4
Тип электрич. соединения 1 Винтовое соединение
Тип электрич. соединения 2 Винтовое соединение
Количество уровней 2
Позиция соединения Сбоку
Способ монтажа DIN-рейка (с -профилем) 35 мм
Требуется торцевая пластина Нет
Тип продукции Клемма
Функция клеммы Для предохранителя
Тип зажима Винт
Ширина 8,2 мм
Количество ярусов 2
Количество точек подключения 4
Номинальное сечение 4 мм2
Максимальное сечение 6 мм2
Два проводника одинакового сечения 0,14−1,5 мм2
Длина снятия изоляции 9 мм
Номинальное импульсное напряжение 8 кВ
Степень загрязненности 3
Размер винта M3
Момент затяжки 0,6−0,8 Н∙м
Размер отвертки 0,6 × 3,5
Материал корпуса PA