Код: MDL100-4P4-50-A-S
Код: MDL100-4P4-50-A-S
Тип упаковки:
Кол-во в упаковке: 1
Ед. изм: шт

Номин. ток:

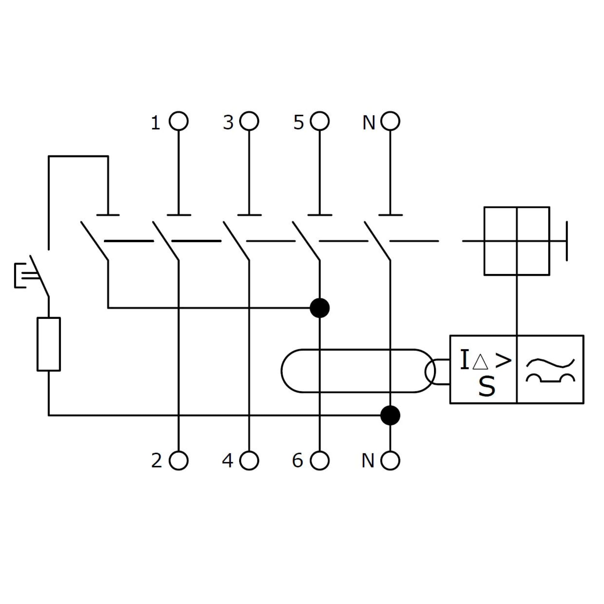
Количество полюсов:

Номин. ток утечки:

Тип тока утечки:

Селективная защита:

Селективное четырехполюсное устройство защитного отключения (УЗО) типа A на номинальный ток 50 A, ток утечки 300 мА, отключающая способность 10 кА. Предназначено для защиты людей от поражения электрическим током и защиты от возгораний из-за утечки тока. Применяется в сетях с напряжением 400 В. Гарантия производителя — 5 лет. Модульное оборудование «YON макс» (YON max) — идеальное решение, применяемое как в бытовом, так и промышленном сегменте. Широкий ассортимент (модульные автоматические выключатели до 10 кА, автоматические выключатели дифференциального тока, устройства защитного отключения, устройства защиты от импульсных перенапряжений и модульные контакторы) позволяет реализовать электрозащиту любого объекта.
Подробнее
Селективное четырехполюсное устройство защитного отключения (УЗО) типа A на номинальный ток 50 A, ток утечки 300 мА, отключающая способность 10 кА. Предназначено для защиты людей от поражения электрическим током и защиты от возгораний из-за утечки тока. Применяется в сетях с напряжением 400 В. Гарантия производителя — 5 лет. Модульное оборудование «YON макс» (YON max) — идеальное решение, применяемое как в бытовом, так и промышленном сегменте. Широкий ассортимент (модульные автоматические выключатели до 10 кА, автоматические выключатели дифференциального тока, устройства защитного отключения, устройства защиты от импульсных перенапряжений и модульные контакторы) позволяет реализовать электрозащиту любого объекта.
Подробнее
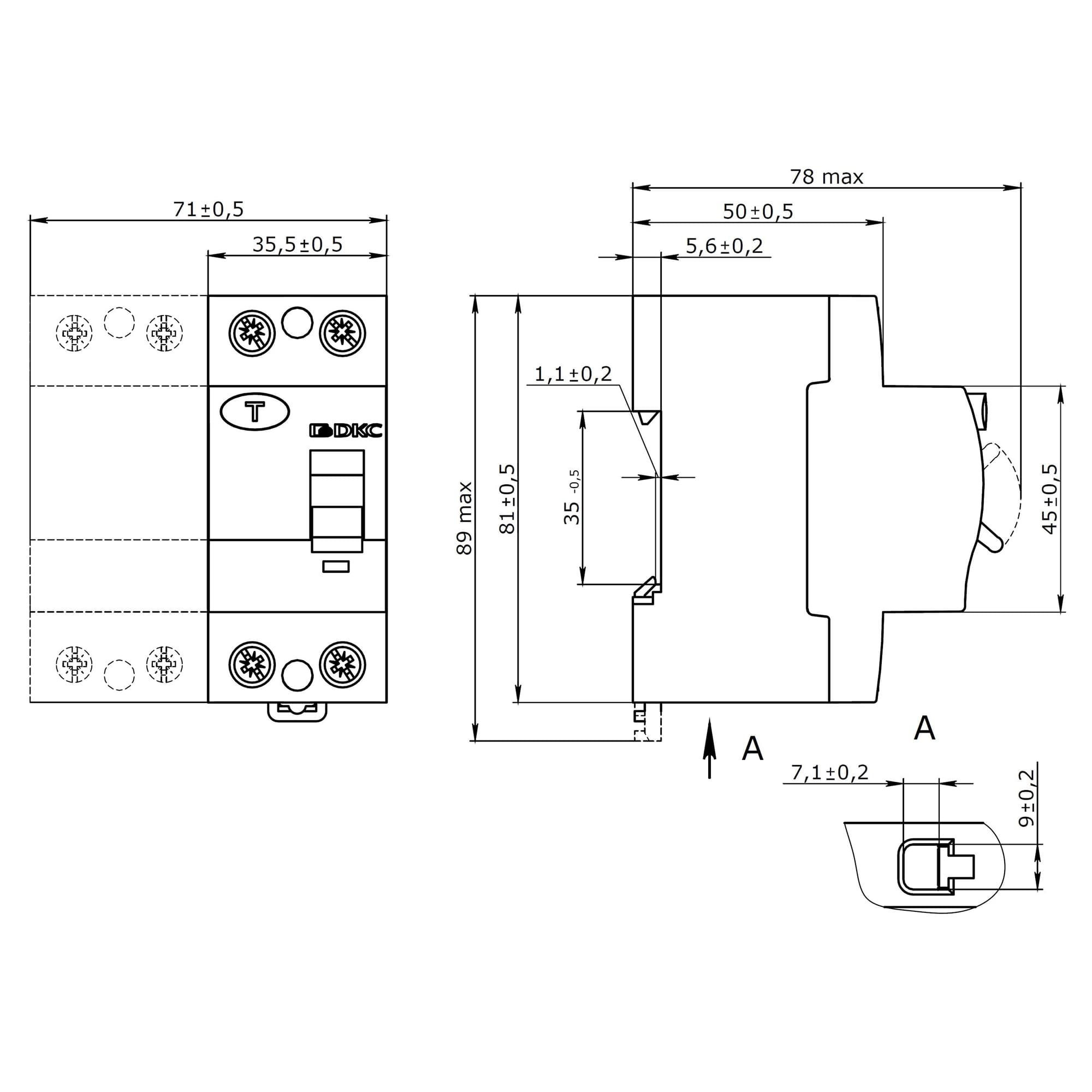
Способ монтажа DIN-рейка
Номин. ток, А 50
Номин. напряжение, В 415
Количество полюсов 4
Номин. ток утечки, мА 300
Тип тока утечки A
Селективная защита Да
Отключающая способность при коротком замыкании (Icw), кА 10
Устойчивость к импульсному току, кА 10
Модульная ширина (общ. кол-во модульных расстояний) 4
Частота 50 Гц
Степень защиты (IP) IP20
Рабочая температура окружающей среды, °C -25...40
Номинальное импульсное выдерживаемое напряжение Uimp, кВ 4
Тип тока утечки A-S