Реле миниатюрное промышленное, 2CO, ком. ток 8А, AgSnO2, напряжение 24V DC, опция: тест-кнопка+светодиод+защитный диод

Код: IR-24DC-2CO-D
Код: IR-24DC-2CO-D
Тип упаковки:
Кол-во в упаковке: 20
Ед. изм: шт
Вес, кг: 0,023
Объем, м3: 0,00002
?
Реле миниатюрное промышленное на 2 контактные группы. Предназначено для коммутации электрических схем. Коммутируемый ток составляет 8А, напряжение питания катушки 24В DС. Для удобства, в реле встроены кнопка-тест с блокировкой, защитный диод и светодиодная индикация. Установка в колодку.
Реле миниатюрное промышленное на 2 контактные группы. Предназначено для коммутации электрических схем. Коммутируемый ток составляет 8А, напряжение питания катушки 24В DС. Для удобства, в реле встроены кнопка-тест с блокировкой, защитный диод и светодиодная индикация. Установка в колодку.
Номин. ток, А 8
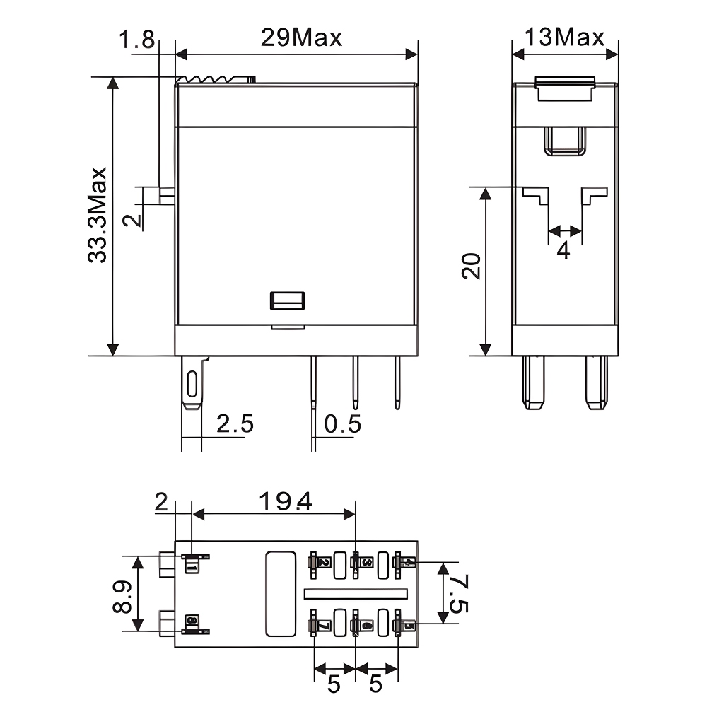
Ширина, мм 13
Высота, мм 33.3
Глубина, мм 29
Со съемными клеммами Нет
Полюсность Определенная полюсность
Тип управления/переключения Моностабильное
С принудительно управляемыми контактами Нет
Тип переключающих контактов Двойной контакт
В комплекте с розеткой (цоколем) Нет
Тип подключения Плоский штекерный разъем
Номин. напряжение питания цепи управления Us постоян. тока DC, В 24...24
Степень защиты (IP) IP50
Со светодиодной (LED) индикацией Да
Тип напряжения управления DC (постоян.)
Количество переключающих (перекидных) контактов 2