Реле миниатюрное промышленное, 1CO, ком. ток 12А, AgSnO2, напряжение 24V AC, опция: тест-кнопка+светодиод

Код: IR-24AC-1CO-D
Код: IR-24AC-1CO-D
Тип упаковки:
Кол-во в упаковке: 20
Ед. изм: шт
Вес, кг: 0,023
Объем, м3: 0,00002
?
Реле миниатюрное промышленное на 1 контактную группу. Предназначено для коммутации электрических схем. Коммутируемый ток составляет 12 А, напряжение питания катушки 24 В АС. Для удобства в реле встроены кнопка-тест с блокировкой и светодиодная индикация. Установка в колодку.
Реле миниатюрное промышленное на 1 контактную группу. Предназначено для коммутации электрических схем. Коммутируемый ток составляет 12 А, напряжение питания катушки 24 В АС. Для удобства в реле встроены кнопка-тест с блокировкой и светодиодная индикация. Установка в колодку.
Номин. ток, А 12
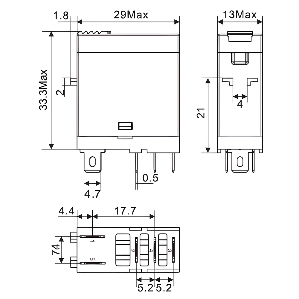
Ширина, мм 13
Высота, мм 33.3
Глубина, мм 29
Со съемными клеммами Нет
Полюсность Определенная полюсность
В комплекте с розеткой (цоколем) Нет
Тип подключения Плоский штекерный разъем
Номин. напряжение питания цепи управления Us AC 50 Гц, В 24...24
Степень защиты (IP) IP50
Со светодиодной (LED) индикацией Да
Тип напряжения управления AC (перемен.)
Количество переключающих (перекидных) контактов 1
Тип управления/переключения Моностабильное
С принудительно управляемыми контактами Нет
Тип переключающих контактов Одинарный контакт
Номин. напряжение питания цепи управления Us AC 60 Гц, В 24...24