Стойка фальшпола двойная, длина 675 мм, регулировка 645-705 мм

Код: STD0675
Код: STD0675
Тип упаковки:
Кол-во в упаковке: 1
Ед. изм: шт
Вес, кг: 6,110
Объем, м3: 0,00998
?

Высота:

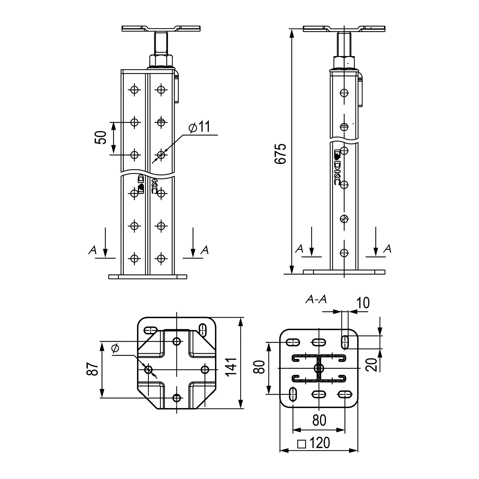
Двойная стойка фальшпола длиной 675 мм используется как несущий элемент конструкции фальшпола. Вращением верхней площадки со шпилькой задаётся высота уровня фальшпола. Высота стойки регулируется в диапазоне 30 мм. Изготовлена на основе С-образного профиля BPM-41 из стали толщиной 2,5 мм.
Двойная стойка фальшпола длиной 675 мм используется как несущий элемент конструкции фальшпола. Вращением верхней площадки со шпилькой задаётся высота уровня фальшпола. Высота стойки регулируется в диапазоне 30 мм. Изготовлена на основе С-образного профиля BPM-41 из стали толщиной 2,5 мм.
Цвет Светло-серый
Ширина, мм 41
Модель/исполнение Подвесной стержень
Высота, мм 675
Защитное покрытие поверхности Гальваническое/электролит. цинковое покрытие
Регулируемый (ая) Да
Шарнирный (-ая) Нет
Длина, мм 82
Материал Сталь
Подходит для обеспеч. целостности цепи (огнестойкость) Нет
Тип изделия Стойки
Высота 675 мм
Вес 6,2 кг