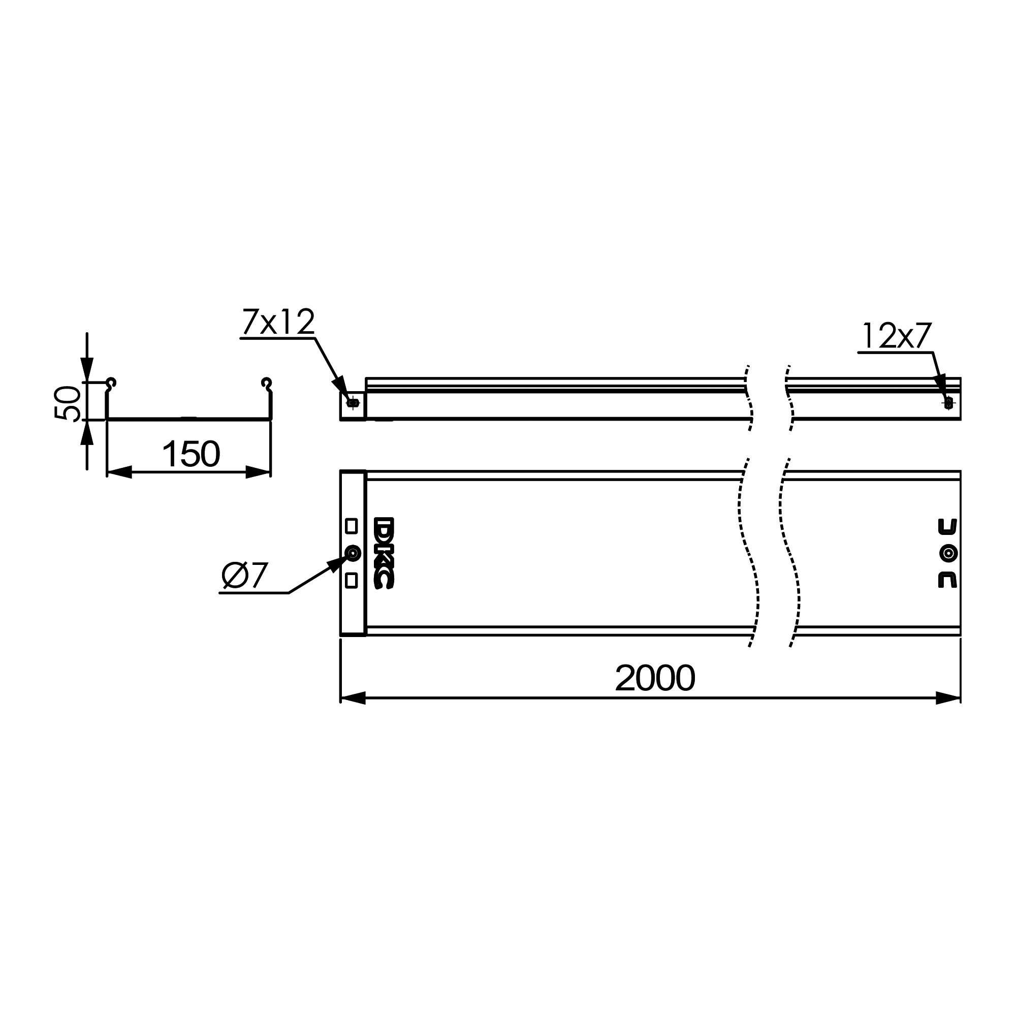
Лоток 150х50 L 2000 толщ. 1,2 мм, горячеоцинкованный
Код:
3501312HDZ
Код:
3501312HDZ
Неперфорированные листовые лотки ДКС применяются для прокладки кабеля как в помещении, так и на открытом воздухе. Лотки отличаются высокой несущей способностью – подформовка, производимая при производстве этой продукции, создает дополнительное ребро жесткости, что увеличивает несущую способность системы до 54%. При применении крышки и уплотнителей может достигаться степень пыле- и влагозащиты до IP 44. Метод соединения "мама-папа" применяемый для системы, существенно сокращает время монтажа и создает непрерывный контур заземления. Конструктив листовых лотков ДКС предупреждает повреждение кабеля при прокладке.
Толщина стали – 1,2 мм, высота лотка – 50 мм, ширина – 150 мм, длина – 2000 мм. Лотки в специальном представлении "Горячий цинк" имеют повышенную устойчивость к коррозии – они защищены от появления ржавчины на 30-50 лет (в зависимости от того, в каких условиях эксплуатируется кабельная трасса).
Подробнее
Толщина стали – 1,2 мм, высота лотка – 50 мм, ширина – 150 мм, длина – 2000 мм. Лотки в специальном представлении "Горячий цинк" имеют повышенную устойчивость к коррозии – они защищены от появления ржавчины на 30-50 лет (в зависимости от того, в каких условиях эксплуатируется кабельная трасса).
| Цвет | Серый |
| Ширина, мм | 150 |
| Модель/исполнение | С интегрированным соединит. разъемом |
| Высота, мм | 50 |
| Защитное покрытие поверхности | Горячее цинкование |
| Толщина материала, мм | 1.2 |
| Перфорированная боковая стенка | Нет |
| Вид/ марка материала | Сталь |
| Длина, мм | 2000 |
| Материал | Сталь |
| Перфорация в основании для монтажа | Нет |
| Полезное сечение, мм² | 7400 |
| Подходит для обеспеч. целостности цепи (огнестойкость) | Да |
| Тип продукции | Неперфорированные лотки |
| Тип лотка | Листовые лотки - "S5 Combitech" |
| Высота | 50 мм |
| Длина | 2000 мм |
| Толщина | 1.2 мм |
| Материал | Сталь горячеоцинкованная погружением |
| Ширина | 150 мм |