Code: ULM685
Code: ULM685
  • To ask a question
Colour Light grey
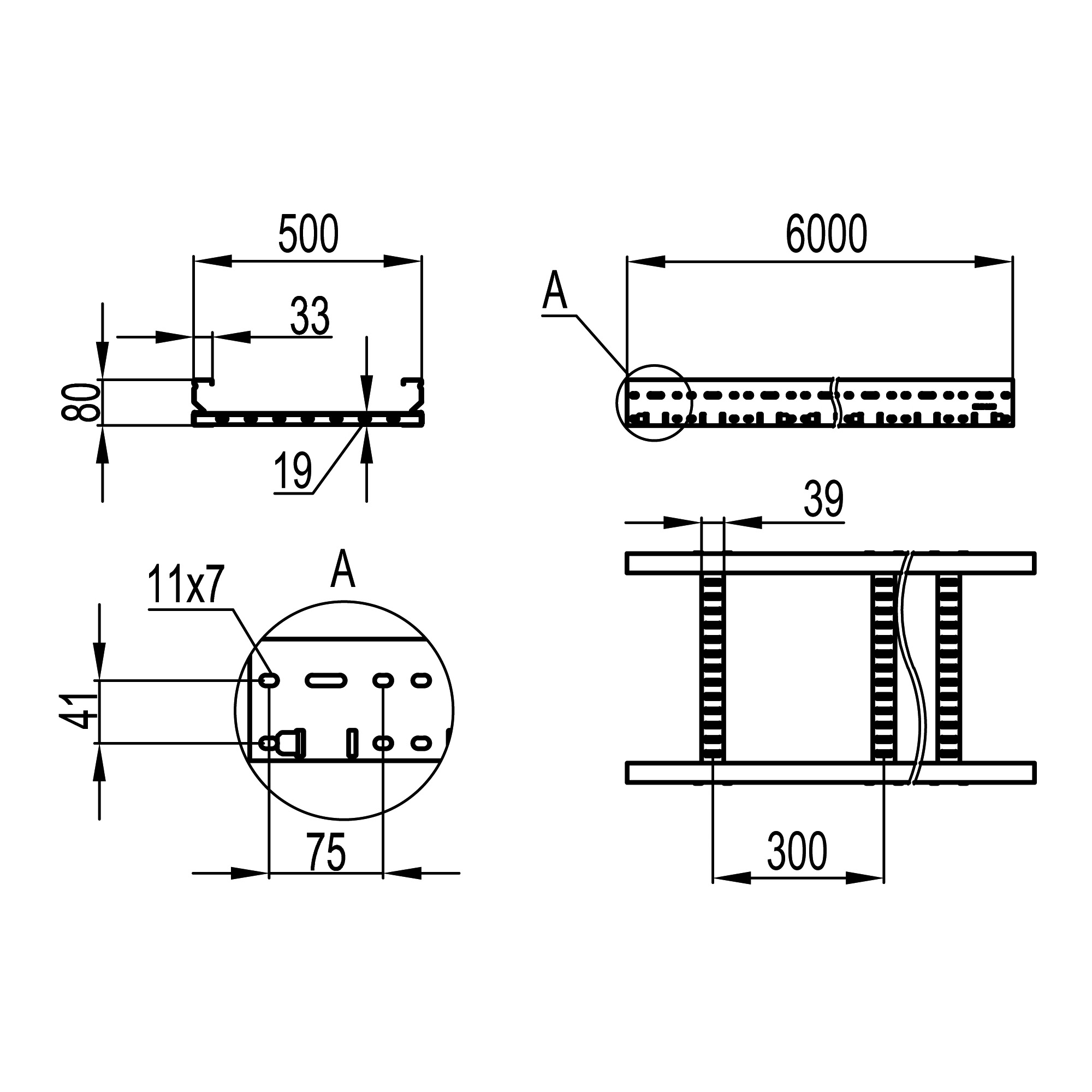
Width, mm 500
Height, mm 80
Surface protection Sendzimir galvanized
Type of rung Perforated profile
Side wall perforation Yes
Material quality Steel
Length, mm 6000
Material Steel
Useful cross section, mm² 30000
Wide span model Yes
Type of side joist Profile (open)
Rung centre spacing, mm 300
Fixation rung Fully revited
Material thickness, mm 1.5
Product type Metal ladder trays
Type Heavy metal trays - " U5 Combitech"
Height 80 mm
Side rail thickness 1.5 mm
Length 6000 mm
Material Pre-galvanized
Width 500 mm