| Colour | Light grey |
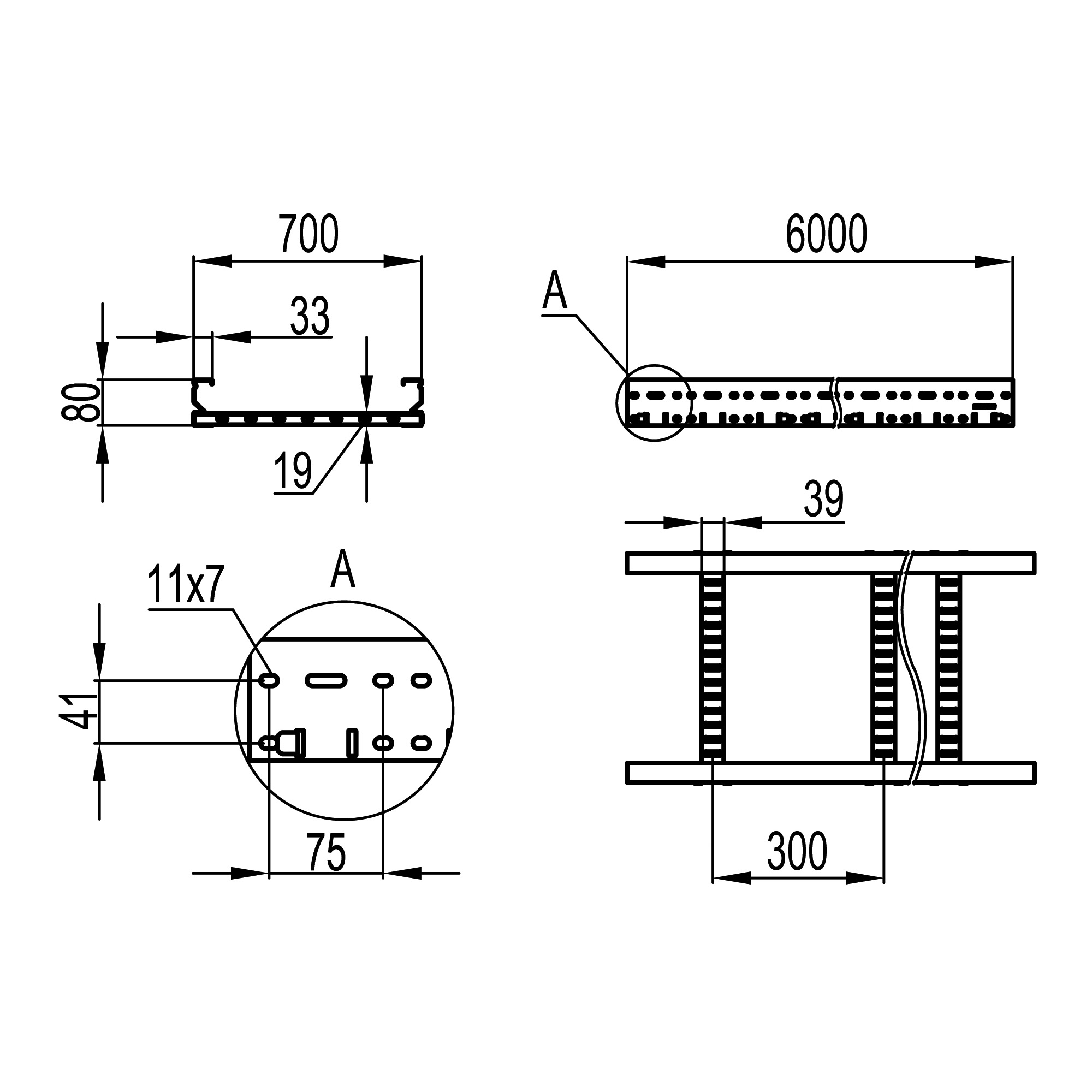
| Width, mm | 700 |
| Height, mm | 80 |
| Surface protection | Sendzimir galvanized |
| Type of rung | Perforated profile |
| Side wall perforation | Yes |
| Material quality | Steel |
| Length, mm | 6000 |
| Material | Steel |
| Useful cross section, mm² | 42000 |
| Wide span model | Yes |
| Type of side joist | Profile (open) |
| Rung centre spacing, mm | 200 |
| Fixation rung | Fully revited |
| Material thickness, mm | 2 |
| Product type | Metal ladder trays |
| Type | Heavy metal trays - " U5 Combitech" |
| Height | 80 mm |
| Side rail thickness | 2.0 mm |
| Length | 6000 mm |
| Material | Pre-galvanized |
| Width | 700 mm |