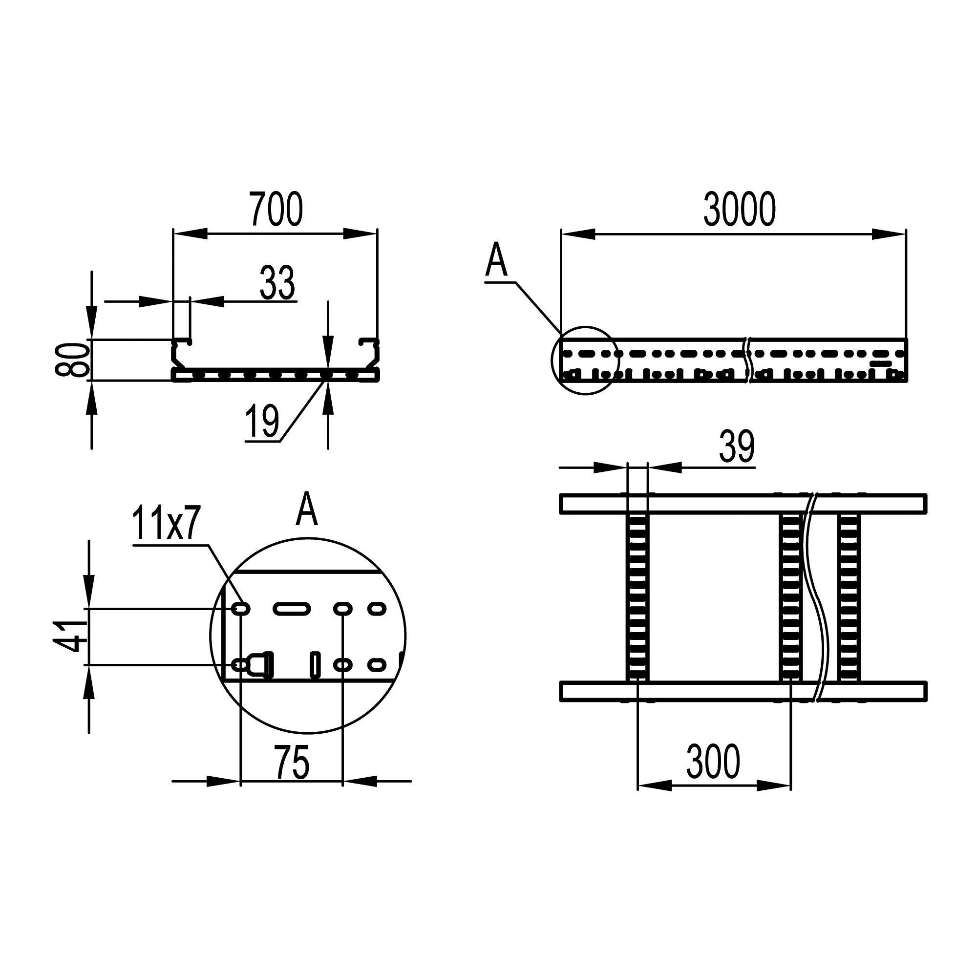
Cable ladder 80х700, side rail thickness 2 mm, L 3 m

Code: ULH387
Code: ULH387
  • To ask a question
Colour Light grey
Width, mm 700
Height, mm 80
Surface protection Sendzimir galvanized
Type of rung Flat profile
Side wall perforation Yes
Material quality Steel
Length, mm 3000
Material Steel
Useful cross section, mm² 56000
Wide span model Yes
Type of side joist Flat profile
Rung centre spacing, mm 200
Fixation rung Other
Material thickness, mm 2
Product type Metal ladder trays
Type Heavy metal trays - " U5 Combitech"
Height 80 mm
Side rail thickness 2.0 mm
Length 3000 mm
Material Pre-galvanized
Width 700 mm