Sheet tray non-perforated 150х700, side rail thickness 1,5 mm, L 6 m ZL

Code: UNM657ZL
Code: UNM657ZL
  • To ask a question
Colour Grey
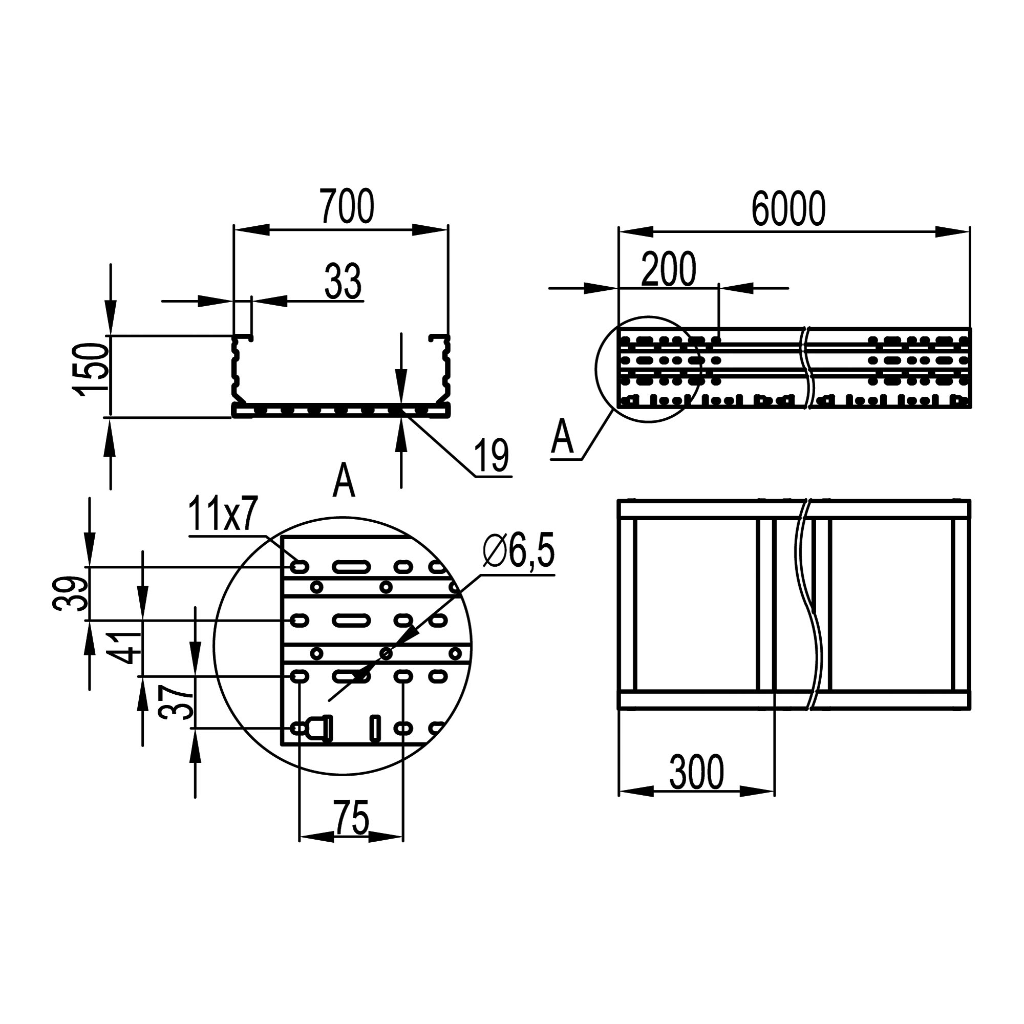
Width, mm 700
Model Without connector
Height, mm 150
Surface protection Continuously galvanized zinc-aluminium
Material thickness, mm 1.5
Side wall perforation Yes
Material quality Steel
Length, mm 6000
Material Steel
Mounting perforation in bottom No
Useful cross section, mm² 91000
NATO-mounting holes Yes
Wide span model Yes
Suitable for circuit integrity Yes
Product type Non perforated straight elements
Type Heavy metal trays - " U5 Combitech"
Height 150 mm
Side rail thickness 1.5 mm
Length 6000 mm
Material Zinc-lamellated steel
Width 700 mm