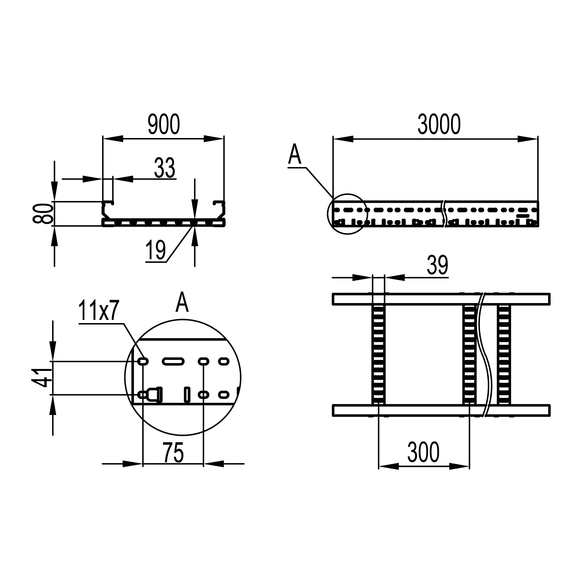
Cable ladder 80х900, side rail thickness 1,5 mm, L 3 m zinc lamellar coating

Code: ULM389ZL
Code: ULM389ZL
  • To ask a question
Colour Light grey
Width, mm 900
Height, mm 80
Surface protection Zinc lamellar coating
Type of rung Perforated profile
Side wall perforation Yes
Material quality Steel
Length, mm 3000
Material Steel
Useful cross section, mm² 54000
Wide span model Yes
Type of side joist Profile (open)
Rung centre spacing, mm 300
Fixation rung Fully revited
Material thickness, mm 1.5
Product type Metal ladder trays
Type Heavy metal trays - " U5 Combitech"
Height 80 mm
Side rail thickness 1.5 mm
Length 3000 mm
Material Zinc-lamellated steel
Width 900 mm