| Colour | Grey |
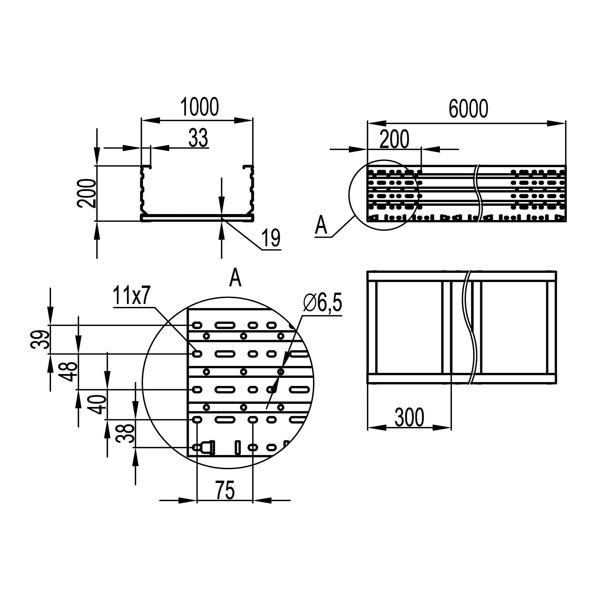
| Width, mm | 1000 |
| Model | Without connector |
| Height, mm | 200 |
| Surface protection | Hot-dip galvanized |
| Material thickness, mm | 1.5 |
| Side wall perforation | Yes |
| Material quality | Steel |
| Length, mm | 6000 |
| Material | Steel |
| Mounting perforation in bottom | No |
| Useful cross section, mm² | 180000 |
| NATO-mounting holes | Yes |
| Wide span model | Yes |
| Suitable for circuit integrity | Yes |
| Product type | Non perforated straight elements |
| Type | Heavy metal trays - " U5 Combitech" |
| Height | 200 mm |
| Side rail thickness | 1.5 mm |
| Length | 6000 mm |
| Material | Hot-dip galvanized |
| Width | 1000 mm |