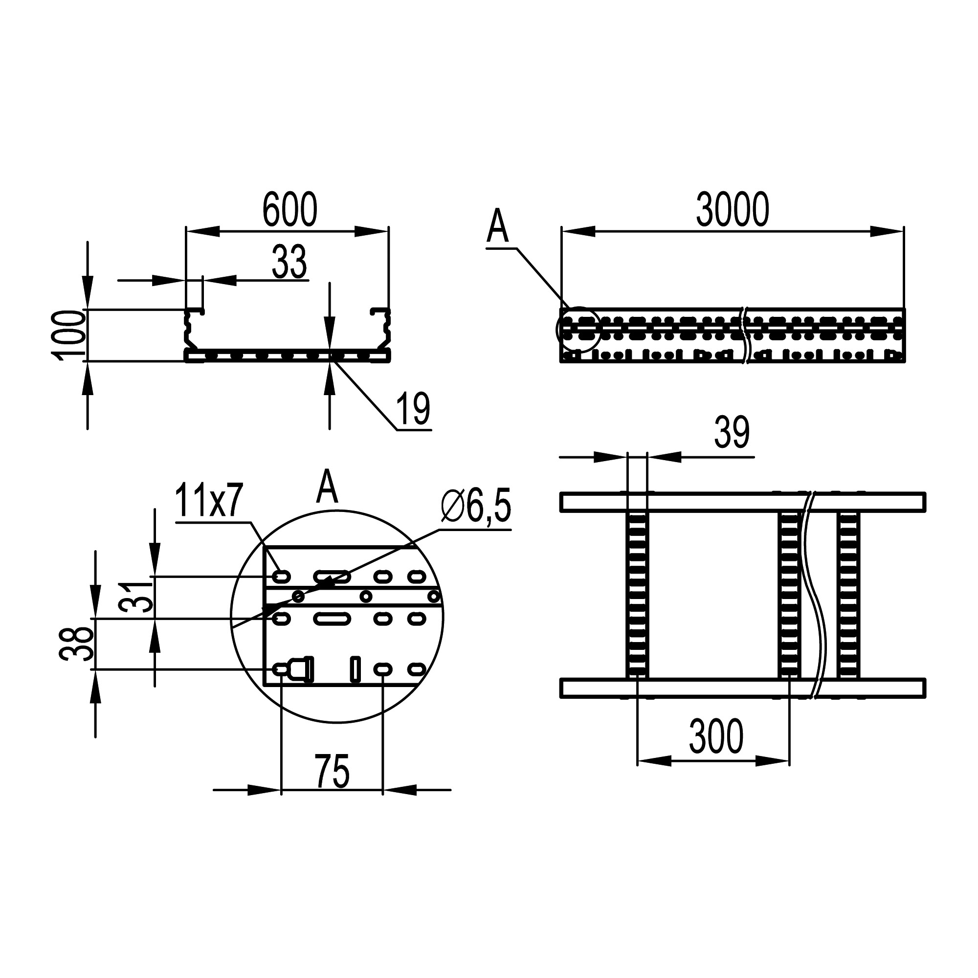
Cable ladder 100х600, side rail thickness 1,5 mm, L 3 m zinc lamellar coating

Code: ULM316ZL
Code: ULM316ZL
  • To ask a question
Colour Light grey
Width, mm 600
Height, mm 100
Surface protection Zinc lamellar coating
Type of rung Perforated profile
Side wall perforation Yes
Material quality Steel
Length, mm 3000
Material Steel
Useful cross section, mm² 48000
Wide span model Yes
Type of side joist Profile (open)
Rung centre spacing, mm 300
Fixation rung Fully revited
Material thickness, mm 1.5
Product type Metal ladder trays
Type Heavy metal trays - " U5 Combitech"
Height 100 mm
Side rail thickness 1.5 mm
Length 3000 mm
Material Zinc-lamellated steel
Width 600 mm