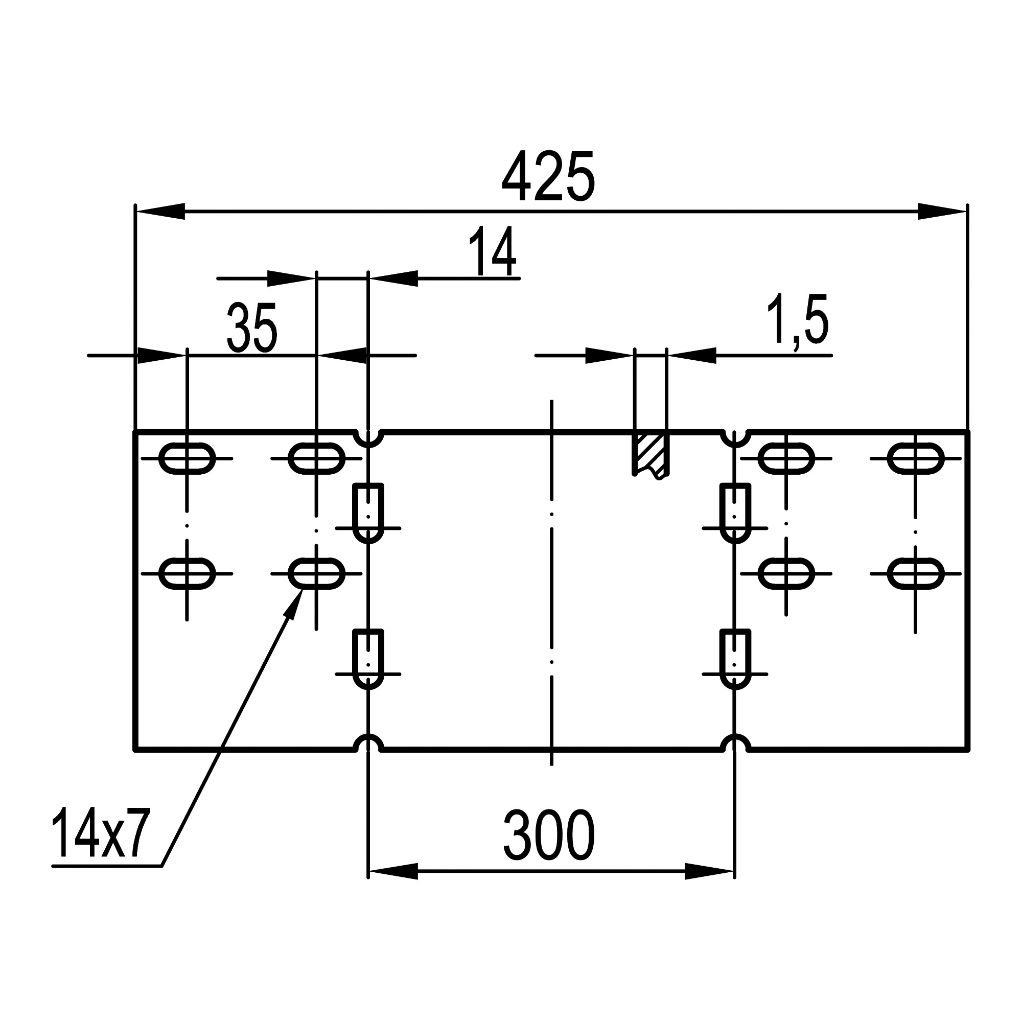
Reducing plug H 100 mm, L 300 mm, hot-dip galvanized

Code: URH013HDZ
Code: URH013HDZ
  • To ask a question
Colour Light grey
Width, mm 300
Surface protection Hot-dip galvanized
Material quality Steel
Material Steel
Wide span model Yes
Suitable for circuit integrity No
Height side joist, mm 100
Product type Mounting accessories
Type of accessories Reducing plug
Height 100 mm
Length 300 mm
Thickness 1.5 mm
Material Hot-dip galvanized