| Colour | Grey |
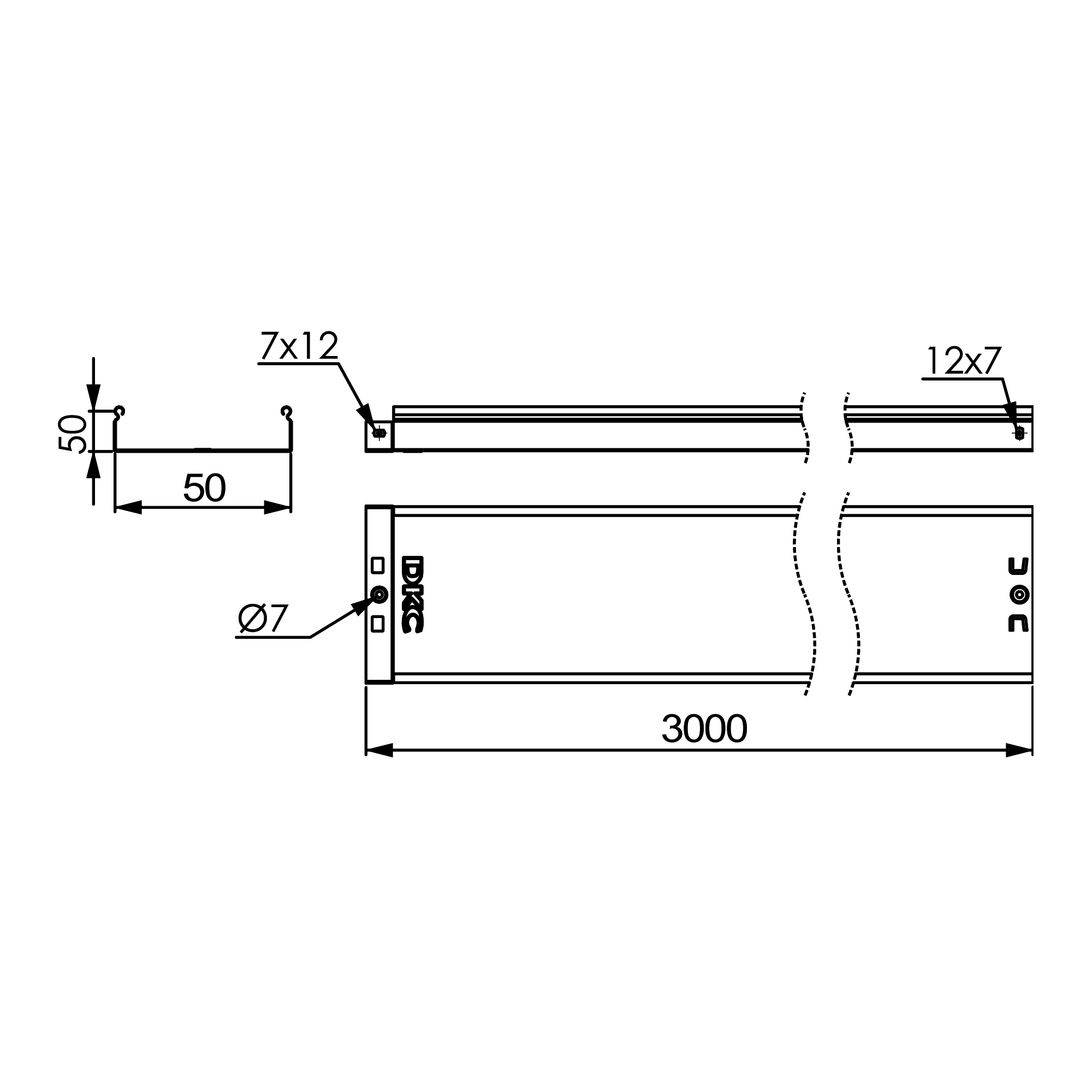
| Width, mm | 50 |
| Model | Integrated connector |
| Height, mm | 50 |
| Surface protection | Continuously galvanized zinc-aluminium |
| Material thickness, mm | 0.7 |
| Side wall perforation | No |
| Material quality | Steel |
| Length, mm | 3000 |
| Material | Steel |
| Mounting perforation in bottom | No |
| Useful cross section, mm² | 2500 |
| Suitable for circuit integrity | Yes |
| Product type | Non perforated straight elements |
| Type | Metal sheet trays - " S5 Combitech" |
| Height | 50 mm |
| Length | 3000 mm |
| Thickness | 0.7 mm |
| Material | Zinc-lamellated steel |
| Width | 50 mm |