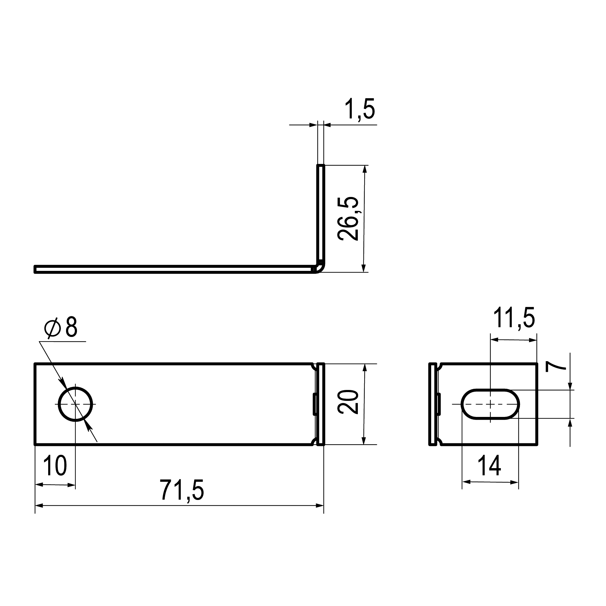
Holder for fireproof partitions for brackets BBL/BBM, zinc lamellar coating

Code: BMZ1501ZL
Code: BMZ1501ZL
  • To ask a question
Type of accessory/spare part Fire protection plate