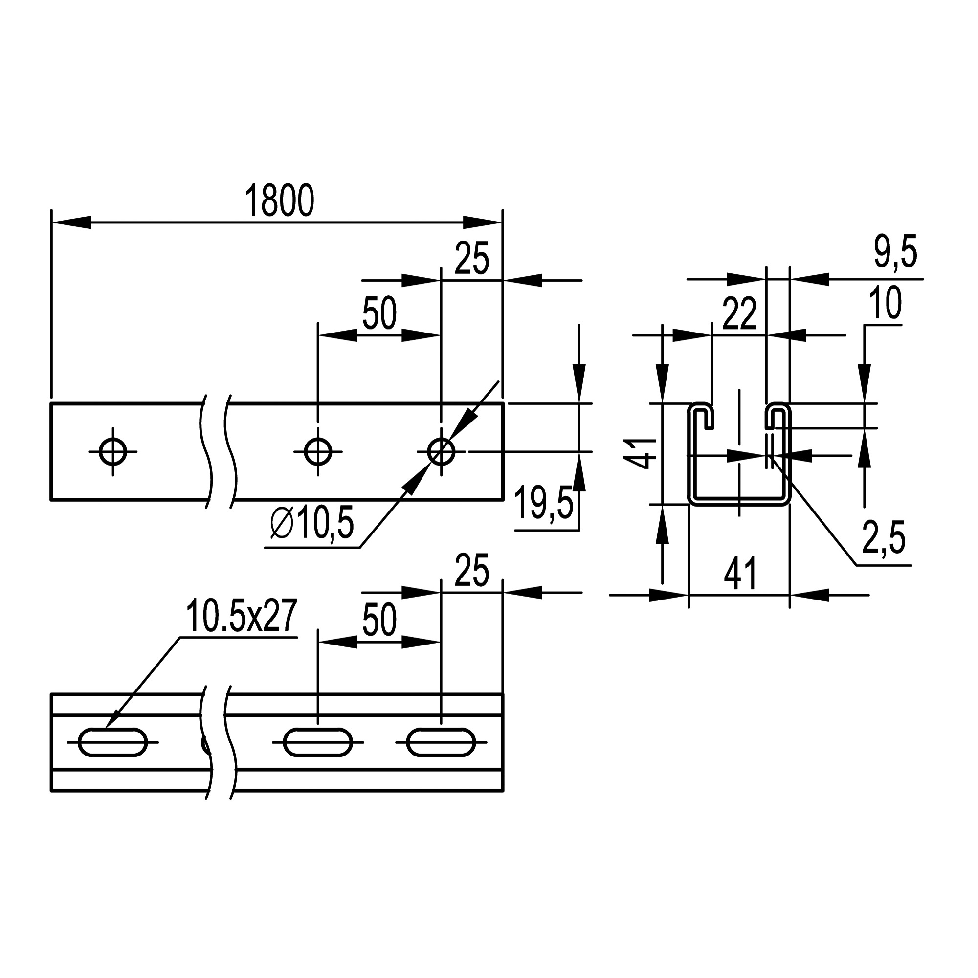
C-profile 41x41 LAS, L1800, thickness 2,5 mm, hot dip galvanized

Code: BPM4118HDZ
Code: BPM4118HDZ
  • To ask a question
Model Singular profile
Height, mm 41
Surface protection Hot-dip galvanized
Material thickness, mm 2.5
With toothing Yes
Length, mm 1800
Material Steel
Type of perforation 3 sides punched
Profile shape C-profile
Slit width, mm 22
Hole width, mm 10.5
Snap-off Yes
Suitable for circuit integrity Yes
Colour Light grey
Material Hot-dip galvanized
Height, mm 41
Width, mm 41
Length, mm 1800
Thickness of metal sheet, mm 2,5
Type Mounting rails