Continue in app
Open
Product
Product
Metal trays
Lightning protection and grounding
Fire protection systems
Working space organization system "Sotto"
Light switches and electrical sockets
Plastic cable ducts system
Modular enclosures
Tubes
Industrial Automation – Mitra
Equipment for automation
Climate Control System - "RAM klima"
DIN-rail terminals "Nuputuk"
System of an electrical wiring and marking
Solar Energy Solutions
Charging stations for electric vehicles - "EOS CHARGE"
Equipment for IT
Uninterruptible Power Supplies (UPS)
LMV
Circuit breakers «YON»
Modular DIN-rail products
Motor control and protection
Explosion-proof equipment
Style DKC
Automation software
Support
Support
Configurators
Software
Сatalogs
Certificates
Drawings
Data exchange
Technical support
Where to buy?
About
About
Documents of the company
History
Contact information
News
Footage
Honest position
Marco Cecconi
Contacts
Интернет-магазин
Вход / Регистрация
RU
IT
EN
RU
IT
Store
Main
Products
System of an electrical wiring and marking
DIN-rails and accessories - "Quadro"
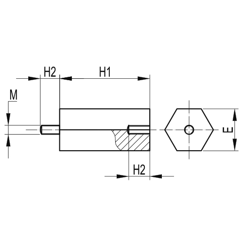
Steel spacers
Steel spacers 100, 10, m6
Steel spacers 100, 10, m6
Code:
QSP1006
Code:
QSP1006
To ask a question
Скачать в формате PDF
Product Information
Analogs
The accompanying goods
Certificates
Promo
Download
Characteristics
Analogs
The accompanying goods
Drawings
Certificates
Promo
Viewed items
ETIM
?
Characteristics
Material
Metal
Type of fastening
DIN rail (top hat rail) 35 mm
Type of DIN-rail adapter
Straight
Product type
Steel spacers
Thread length
10 mm
Threading
M6
Base length
100 mm
В каталоге
View all results