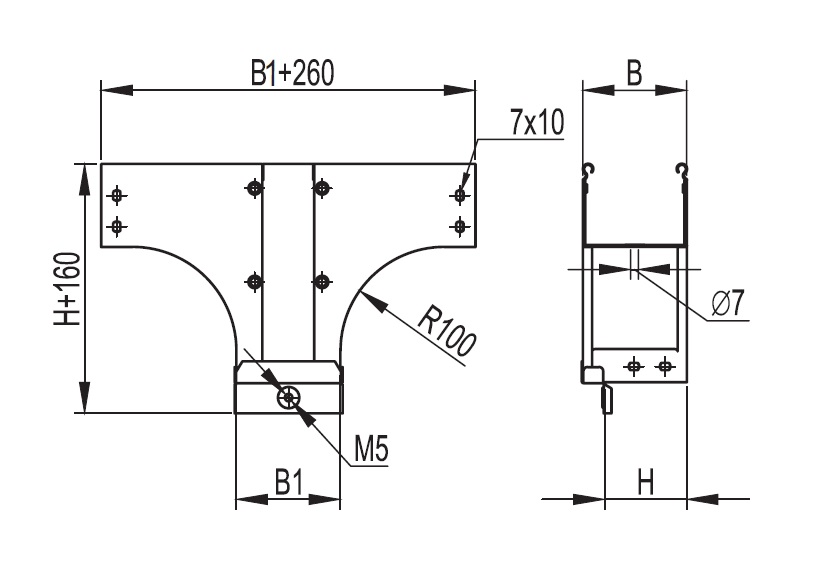
Cover for TDSA vertical T-tapper-adapter 150/300 included with fasteners (joint plates PTCE, screws, nuts), zinc lamellar coating

Code: 38391KZL
Code: 38391KZL
  • To ask a question
Colour Light grey
Width, mm 150
Material Steel
Type of fastening Snapped on
Suitable for cable tray Yes
Surface protection Continuously galvanized zinc-aluminium
Material quality Steel galvanised