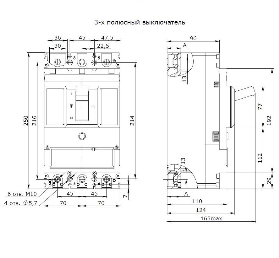
MCCB YON pro MNX630M 3P 630A 100kA ETE LSIG

Code: MNX630M3PETE0630
Code: MNX630M3PETE0630
  • To ask a question
Rated permanent current Iu, A 630
Number of poles 3
Overload release current setting, A 252...630
Rated voltage, V 400...690
Degree of protection (IP) IP20
Position of connection for main current circuit Front connection
Motor drive integrated No
Type of electrical connection of main circuit Bolt connection
Type of control element Rocker lever
With switched-off indicator Yes
Rated short-circuit breaking capacity lcu at 400 V, 50 Hz, kA 100
Adjustment range short-term delayed short-circuit release, A 1260...6300
Suitable for DIN rail (top hat rail) mounting No
Integrated earth fault protection Yes
Motor drive optional Yes
With under voltage release No
Device construction Built-in device fixed built-in technique
DIN rail (top hat rail) mounting optional No
Type of product Выключатель автоматический в литом корпусе
Complete device with protection unit Yes
Type release Electronic
Rated current In 630A
Q'ty of poles 3
Breaking Capacity Limit Icu 100kA
Regulation of currents in the overload zone Yes
Regulation of currents in the short-circuit zone Yes
Release name ETE