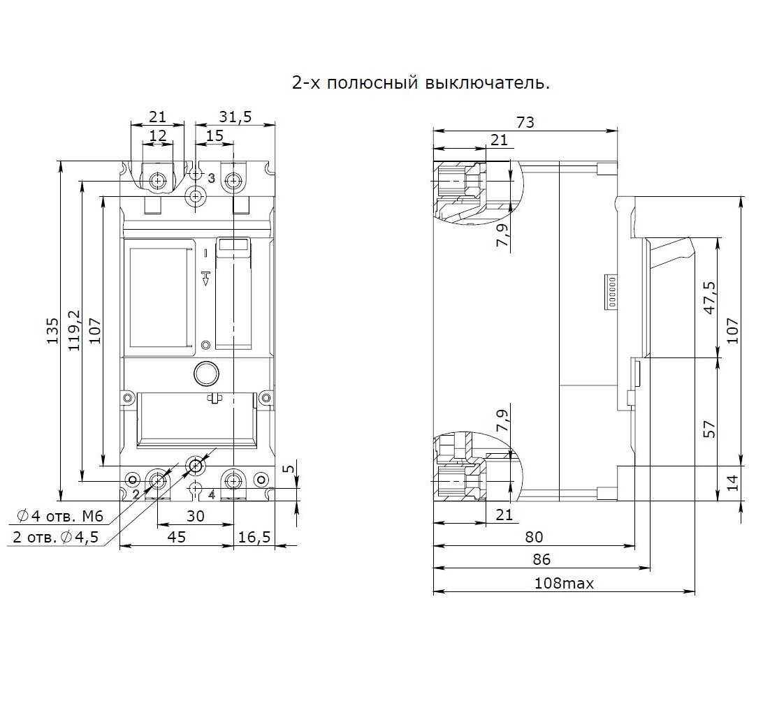
MCCB YON pro MNX125M 2P 16A 100kA TMD

Code: MNX125M2PTMD0016
Code: MNX125M2PTMD0016
  • To ask a question
Rated permanent current Iu, A 16
Number of poles 2
Overload release current setting, A 12.8...16
Rated voltage, V 230...240
Degree of protection (IP) IP20
Position of connection for main current circuit Front connection
Motor drive integrated No
Type of electrical connection of main circuit Bolt connection
Type of control element Rocker lever
With switched-off indicator Yes
Suitable for DIN rail (top hat rail) mounting No
Integrated earth fault protection No
Motor drive optional No
With under voltage release No
Device construction Built-in device fixed built-in technique
DIN rail (top hat rail) mounting optional No
Rated short-circuit breaking capacity lcu at 400 V, 50 Hz, kA 100
Type of product Выключатель автоматический в литом корпусе
Complete device with protection unit Yes
Rated current In 16A
Q'ty of poles 2
Type release Thermal and electromagnetic
Breaking Capacity Limit Icu 100kA
Regulation of currents in the overload zone Yes
Regulation of currents in the short-circuit zone Yes
Release name TMD