| Rated permanent current Iu, A | 100 |
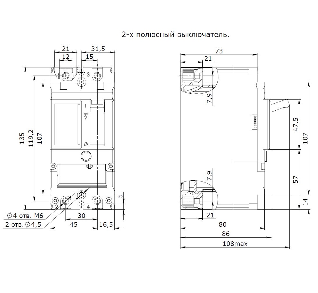
| Number of poles | 2 |
| Overload release current setting, A | 80...100 |
| Rated voltage, V | 230...240 |
| Degree of protection (IP) | IP20 |
| Position of connection for main current circuit | Front connection |
| Motor drive integrated | No |
| Type of electrical connection of main circuit | Bolt connection |
| Type of control element | Rocker lever |
| With switched-off indicator | Yes |
| Suitable for DIN rail (top hat rail) mounting | No |
| Integrated earth fault protection | No |
| Motor drive optional | No |
| With under voltage release | No |
| Device construction | Built-in device fixed built-in technique |
| DIN rail (top hat rail) mounting optional | No |
| Rated short-circuit breaking capacity lcu at 400 V, 50 Hz, kA | 150 |
| Type of product | Выключатель автоматический в литом корпусе |
| Complete device with protection unit | Yes |
| Type release | Thermal and electromagnetic |
| Rated current In | 100A |
| Q'ty of poles | 2 |
| Breaking Capacity Limit Icu | 150kA |
| Regulation of currents in the overload zone | Yes |
| Regulation of currents in the short-circuit zone | Yes |
| Release name | TMD |